Cerradura de combinación digital! (5 / 7 paso)

Paso 5: memoria

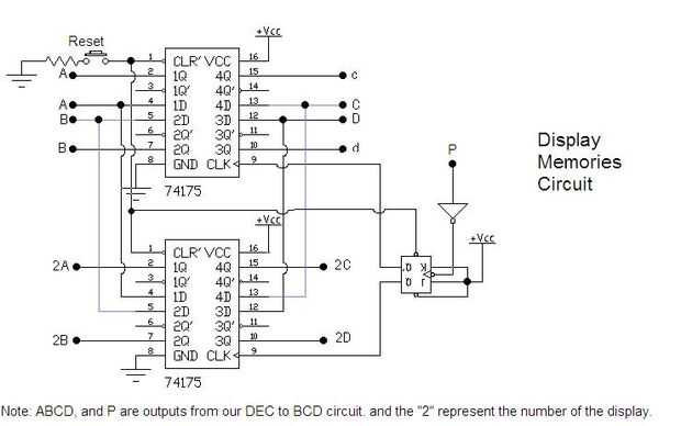
Esto es eran cambiar de lógica combinacional, lógica secuencial... Para hacer la memoria de 4 bits(ABCD) sólo tenemos un D - Flip Flop para cada bit, y en el 74175 tenemos 4 de los. Recuerde que cada número está representado en ABCD, así cada 74175 puede ahorrar un número.   Para obtener más información acerca de cómo funciona el D-flip-flop, y cómo guarda información,: http://en.wikipedia.org/wiki/D_flip_flop#D_flip-flop la entrada de los dos primeros recuerdos (datos "D") viene de la DEC a codificador BCD que construimos en el primer paso. ¿También tenemos la información que cada uno se va a celebrar, pero cuando se va a guardar? Por supuesto, uno ahorrará el primer número pulsado y el otro el segundo presiona número...   Así que, ¿cómo conseguimos este efecto? Bien con otro tipo de FF (flip flop) JK, cuando las entradas J y K son altas, cambiará el estado de las salidas a su complemento (negación), en otras palabras, tendremos en "Q" 1, luego 0 y luego 1, luego 0 y así sucesivamente. Esta Q´ y Q son el reloj de la memoria (lo que le tell´em cuando guardar datos nuevos.)   El pulso que determina cuando se hace este cambio es la "P" que es alto siempre que presiona cualquier número, pero para guardar la información a tiempo, necesitamos lo contrario, así que aquí tiene donde utilizamos la puerta no.   En otras palabras, una vez que presione un botón, el ff jk cambiará su salida, turnin en la primera memoria, por lo que se van a ahorrar los datos, luego nos empuje otra vez y el primer estado de grabación de memoria estará apagado, pero la segunda memoria a guardar los datos nuevos! En este punto añadí un botón de reset que se ambas memorias (ABCD) a 0 y volverá el selector de visualización (ff jk) a la primera memoria. ¿Para más información sobre el FF JK: http://en.wikipedia.org/wiki/D_flip_flop#JK_flip-flop ahora... por qué dice necesitamos cuatro 74175? Bien para guardar la contraseña!! Mientras que es posible sólo para establecer la contraseña con resistencias a GND o a Vcc, hará su contraseña estática e imposible de cambiar si usted consigue su cerradura en un PCB. Por lo tanto, con una memoria, puede guardar la contraseña y cambiarla tantas veces como desee.   Las entradas serán las salidas de nuestra memoria de muestra, así que cuando un pulso positivo alcanza su reloj, va enfrentando cada número en la muestra. (ambos, los recuerdos y memorias de contraseña tendrá la misma información). Por supuesto la "nueva contraseña" pulso sólo estará disponible si usted ya sumarían la contraseña correcta y abrir la cerradura.   En todo lo que tendrá una capacidad de almacenamiento de 2 Bytes o 16 bits!!

Artículos Relacionados

Cerradura de combinación magnética imagen seguro

Cerradura de combinación magnética imagen seguro

Por qué me encantaría ganar un zing láser de corte...Desde que era pequeña, he estado tomando cosas aparte; durante años, he estado revisando y aprendiendo de Instructables. Me encanta inventar, prototipado, diseño. Me encanta tanto que comencé un ne
¿Cerradura de combinación de Arduino: Lockduino

¿Cerradura de combinación de Arduino: Lockduino

listo para poner una cerradura de combinación en la puerta para mantener fuera a los intrusos? Has llegado al lugar correcto! En este i'ble le mostrará paso a paso cómo hacer una combinación de la cerradura para su puerta!Mira este video del producto
Tutorial de cerradura de combinación de LEGO

Tutorial de cerradura de combinación de LEGO

En este instructable mostrará usted cómo hacer una cerradura de combinación de lego. No incluyo el cajón que se desliza hacia fuera cuando se realiza la combinación, o la cubierta de la parte superior. Sólo mostré la cerradura instrucciones del mecan
Cerradura de combinación de Minecraft y tutorial de puerta.

Cerradura de combinación de Minecraft y tutorial de puerta.

Hola, en este tutorial te enseñaré cómo construir su puerta propia cerradura de combinación/pistón. Así que vamos a empezar.Paso 1: demostración.Aquí son las palancas que controlan el sistema numerado 1-5.Paso 2: demostración.una vez que las palancas
Láser de viaje cable sistema de seguridad con cerradura de combinación y sirena épica!

Láser de viaje cable sistema de seguridad con cerradura de combinación y sirena épica!

Hola todo el mundo!  ¡ Bienvenido a mi Instructable!Mi sistema de seguridad-cable láser emplea una cerradura de combinación programable que actúa para armar y desarmar el sistema, así como indicar al microprocesador si alguien ha entrado en un código
Cerradura de combinación de KVG

Cerradura de combinación de KVG

Aquí está la cerradura de combinación K'nex. Esto se hace de Micro K'nex para mantenerlo pequeño, pero podría ser para arriba-escala K'nex clásico.ADVERTENCIA: ¡ nointentar bloquear su habitación u ocultar sus secretos del gobierno con esto. Su archi
Cerradura de combinación de impresión 3D

Cerradura de combinación de impresión 3D

esto fue hecho para mi clase de modelado 3d (4170) utilizando AutoDesk Inventor 2009. Fue hecho para mostrar cómo funciona una cerradura de combinación básica que to realmente bloquear nada. Es de 10 partes y funciona completamente. Costo para hacer
Agrietamiento de cerraduras de combinación solo Dial

Agrietamiento de cerraduras de combinación solo Dial

* Aviso legal * Yah, cualquiera que sea. Yo sólo busqué en Google para ver si todas estas renuncias son legalmente necesarios, no pudo encontrar una respuesta definitiva y decidía en última instancia contra él. Ser inteligente... todo lo que eso sign
Cerradura de combinación principal puente de la manera más rápida y debilidades expuestas

Cerradura de combinación principal puente de la manera más rápida y debilidades expuestas

Podría ya sabe usted que amo cerraduras de combinación de la clase barata (¿hay otros?) puede ser acuñada e incluso abrió con una palanca delgada empujada entre los diales.Pero, ¿qué haces después de meses de ausencia cuando no se puede abrir la cerr
6 madera caja de cerradura de combinación de rueda

6 madera caja de cerradura de combinación de rueda

una caja de madera con una cerradura de combinación de 6 ruedaPaso 1: se necesitaUsé aproximadamente 6 pies cuadrados 1/2" madera contrachapada, 2' 1 x 2 y el pasador de surtidosPaso 2: hacer los anillos empecé por cortar 6 cuadrados 10 1/2" cua
Reciclar la cerradura de combinación en el collar de

Reciclar la cerradura de combinación en el collar de

Esta es una divertida forma de reciclar una cerradura de combinación. Con muy poco esfuerzo y tiempo que podemos crear fácilmente un collar tipográfico único procedente de los vasos número encontrados dentro de una cerradura de combinación.Paso 1: Co
¿Cómo funciona la cerradura de combinación?  La hice en TechShop.

¿Cómo funciona la cerradura de combinación? La hice en TechShop.

Background:Muchos son curiosos sobre ¿qué tan seguros son estos candados de combinación?  ¿Se necesita un experto para desbloquear estas cerraduras de combinación?  ¿Cómo funciona cerraduras de combinación?  ¿Cómo puede ser mejorado y convertido en p
Madera cerradura de combinación de esfera, con lanzamiento de primavera y cambiante código

Madera cerradura de combinación de esfera, con lanzamiento de primavera y cambiante código

este proyecto crea un producto final de diseño similar a mi otra cerradura instructable: sin embargo este proyecto cuenta con:-> un nivel de complejidad mucho mayor-> requiere más tiempo-> requiere materiales de construcción más esotéricos-> m
Aniversario con una cerradura de combinación madera

Aniversario con una cerradura de combinación madera

el gabinete fue hecho como regalo de bodas para mi hijo y mi hija en la ley. El gabinete sí mismo sigue técnicas convencionales de diseño y construcción - qué hace el aniversario gabinete diferente es la combinación de mecanismo de bloqueo.  Los cuat