


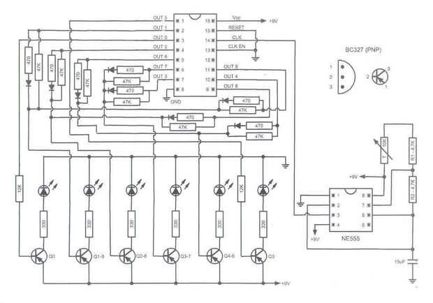
Como se puede ver en el circuito esquemático, cada LED del medio está controlado por dos salidas. Si son ambos bajos (para que ponga la señal negativa) el perno central del transistor se suministra con una resistencia de 23, 5 K(debido a los diodos la corriente no fluye a través de las resistencias bajas).
Cuando una salida toma el nivel alto el pin central del transistor se puentea por la baja resistencia conectada a esa salida.
Así que el colector del transistor se apaga y el LED se vuelve oscuro.
En el video el circuito trabaja a la velocidad máxima, pero usted puede hacerlo más rápido usando un condensador más pequeño.