CARduino - vehículo accionado Arduino, controlado por LabVIEW (4 / 12 paso)

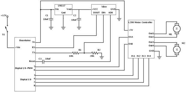
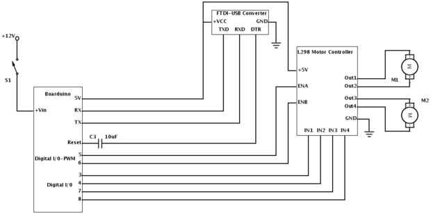
Paso 4: Vehículo circuito

Abajo se muestran los diagramas de circuito sin hilos y atado.
Usé un Boarduino en lugar de un Arduino estándar. Sigue siendo 100% compatible con microcontroladores Arduino. Si está utilizando un Arduino con un escudo del motor o un XBee shield, puede que necesite omitir algunos del circuito anterior.

Artículos Relacionados

Caja de origami (utilizada como vehículo accionado por aire)

Caja de origami (utilizada como vehículo accionado por aire)

Estamos (mi hija y yo) que un vehículo accionado por aire. Este es otro proyecto nuevo para mí, y yo quería probar en mi hija antes de tomarlo en un aula.Pero en primer lugar, debemos aprender a hacer una caja. Vale. Parece un poco extraño que debo e
Vehículo accionado humano

Vehículo accionado humano

vehículo accionado humano básicamente es el nombre dado a todos los vehículos que están a cargo de la aplicación física de la resistencia del conductor y son necesarias para reducir la contaminación. Aunque todos bicicletas también son vehículos acci
Arduino controlado por dimmer luz

Arduino controlado por dimmer luz

ADVERTENCIA: ¿ Algunas personas tratan de construir esto con un optoacoplador con coz zerocrossing derecho 'es mejor'? Algunos se dicen incluso en tiendas de electrónica es mejor utilizar tal un optoacoplador. MAL. Esto sólo funcionará con un optoaco
¿Instalación de Bluetooth multifunción coche Smart para Arduino controlado por teléfono móvil

¿Instalación de Bluetooth multifunción coche Smart para Arduino controlado por teléfono móvil

por lo que usted quiere hacer un coche smart? ¿No sabes dónde empezar? Por qué aprender con equipo de ICStation.El Arduino Bluetooth coche Smart tiene la función de seguimiento, evitación del obstáculo, control remoto por infrarrojos y Bluetooth remo
Vehículo de Arduino centinela autónomo

Vehículo de Arduino centinela autónomo

Usando el servo había montado sensores ultrasónicos e infrarrojos, el centinela busca amenazas dentro de su zona de exclusión. Una vez que se detecta una amenaza, se acerca para matar con su "cañón láser". El ultrasonido se utiliza para detectar
Detector de proximidad de punto fijo vehículo de Arduino.

Detector de proximidad de punto fijo vehículo de Arduino.

Esta es la versión de alta tecnología de colgar una pelota de tenis desde el techo de un trozo de cuerda.  Por supuesto, si usted tiene dos tipos diferentes de vehículos, pelota de tenis no va a tierra en el mismo lugar en ambos.  Este proyecto puede
Coche del RC con dos Arduinos controlado por ordenador

Coche del RC con dos Arduinos controlado por ordenador

piezas necesarias: este proyecto requiere de dos placas de Arduino que pueden ser adquiridos en http://www.adafruit.com/category/17Este proyecto utiliza dos placas compatibles de Arduino Uno.Se necesitará un L293D u otro chip de controlador de Motor
2009 fotos de inicial de UCF HPV (vehículo accionado humano)

2009 fotos de inicial de UCF HPV (vehículo accionado humano)

2009 modelo VPH mi equipo está trabajando en el ASME h p v c... Salimos para un paseo y algunas fotos aquí... Hemos tenido algunos accidentes, pero el vehículo em tomó como un campeón... (sólo menores daños humanos: p)Sí, sé que el vehículo no se ve
Arduino Bluetooth coche controlado por Labview

Arduino Bluetooth coche controlado por Labview

Se trata de un coche de RC de Arduino, basado originalmente en un proyecto realizado por Owen_soo. Es muy maniobrable, capaz de hacer vueltas rápidas, ir hacia atrás y hacia adelante con sólo tocando un botón. Esto originalmente sólo iba a ser un coc
Cañón neumático accionado por Arduino controlado por Android

Cañón neumático accionado por Arduino controlado por Android

cada verano, Qualcomm celebra una batalla de la competencia de las escuelas, que ofrece a los empleados la oportunidad de representar a su Universidad de origen. Este año, las entradas debían ser artilugios caseros, y que fueron juzgados según lo gua
Bluetooth de rover 4WD Arduino controlado por teléfono/tablet Android

Bluetooth de rover 4WD Arduino controlado por teléfono/tablet Android

4WD de Arduino bluetooth controlado roverSe trata de un rover 4WD simple que hice con Arduino.el rover se controla con un teléfono android o tablet por bluetooth. Con esa aplicación puede controlar velocidad (usando pwm del Arduino), correr con el ac
Generador de forma de onda de Arduino controlado por iOS

Generador de forma de onda de Arduino controlado por iOS

Este generador se basa en el trabajo de Amanda Ghassaei. Generadores de forma de onda (o generadores de funciones) se utilizan para probar y depurar circuitos. por ejemplo, respuesta de frecuencia de amp op o sensores. Este generador es alimentado po
Mezclador de colores de Arduino controlado por iPhone

Mezclador de colores de Arduino controlado por iPhone

concurso Robot 18 +Este es el video de demostración de producto final como se verá.  Esto fácilmente podría ser usado para controlar un robot arduino o cualquier cosa en todo lo que el arduino corre!Si el vídeo no reproduce aquí es el enlace http://w
Arduino Powered vehículo autónomo

Arduino Powered vehículo autónomo

Unos meses atrás empecé jugando con reguladores micro Arduino como un ejercicio de aprendizaje (y diversión); Este proyecto es la culminación de. El objetivo del proyecto era crear un vehículo que puede desplazarse autónomamente a través de una serie