Paso 1: Los esquemas


Obviamente, va el conector de entrada limpiado. No se necesitan lo más y lo hace un perfecto agujero vacío en el chasis para poner el interruptor.
El conector de pedal footswitch necesita ser reemplazada con un enchufe tipo estéreo de 3 conductores también conocido como un jack TRS. Necesitamos el conductor adicional para permitir que el circuito de interruptor extra a añadir. Recuerde que cualquier interruptor está conectado al anillo de este estará activo todo el tiempo si se utiliza un enchufe mono 2 conductores como el de la pedalera stock.
También necesitamos añadir un relé para hacer el cambio para nosotros. Un total de 4 contactos debe cambiar para hacer el cambio, y algunos son recorridos de la señal. Usando un footswitch DPDT podría hacer el trabajo, pero no creo llevar la señal de la guitarra de la amp para conseguir cambiar y luego en una buena idea, así que el relé interno puede hacerlo y todo lo que necesitamos fuera de la amp es un contacto de relé de control.
Cuando se cambia de ultra para limpiar, esto es lo que sucede: el relé elimina la señal de la guitarra del ultra preamplificador de entrada y se aplica la tierra en su lugar. Al mismo tiempo, se quita la salida de preamp ultra de la entrada de preamplificación limpio y se aplica la señal de la guitarra en su lugar. Y, por supuesto, volver es todo lo contrario. Si observas donde viene el voltaje de la bobina de relé, a ver que necesitamos un 6 VDC DPDT relay... la resistencia de 33 ohm es reducir el voltaje de la bobina de relé a 5,5 VDC porque no pude siento completa saber estaba poniendo 6,2 volts en una bobina de 6 voltios cada vez que me cambié a ULTRA!
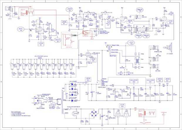
Si no puede ver en el esquema de como funciona esto, luego parar y encontrar una tecnología amp para ayudarle! Estos esquemas guardan a mis nalgas mientras hacía este mod... y he diseñado! Tendrás que ser capaz de leerlos.
TAMBIÉN! Esto puede ser muy importante para usted... Durante la instalación de mi que estaba buscando un buen lugar para conectar el lado positivo de la bobina del relé y encontró que R52 en el esquema es realmente R54 en mi amplificador! Por lo tanto, tenga cuidado. No sé si es sólo un error, o si hay diferentes versiones de la amp por ahí así que dejé el "error" sin cambios en estas impresiones.