Paso 4: Trabajo del Metal








Tomar la hoja de aluminio e imprimir la plantilla
Foto 1,2,3
Paso 2:
Corte el soporte de la hoja de aluminio según plantilla utilizando una sierra de metal y doble la pestaña de soporte según cuadro
Foto 4 y 5
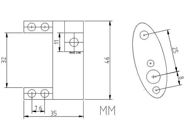
Paso 3:
Cortar el brazo de montaje de la hoja de aluminio
Cuadro 6
Paso 4:
Cortar agujeros en el brazo de montaje (según plantilla) y la rueda del servo a éste con tornillos #3. Cortar cualquier longitud del perno exceso después de colocar una tuerca.
Imagen 7, 8