Paso 1: Un resumen de mi experimentación





Modifico el circuito mucho antes de que yo estaba contento con los resultados. Lamentablemente, no tomo fotos de mi circuito en el protoboard.
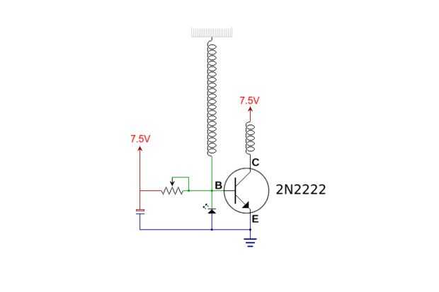
- La primera imagen muestra primer circuito. Yo no podía ir a trabajar.
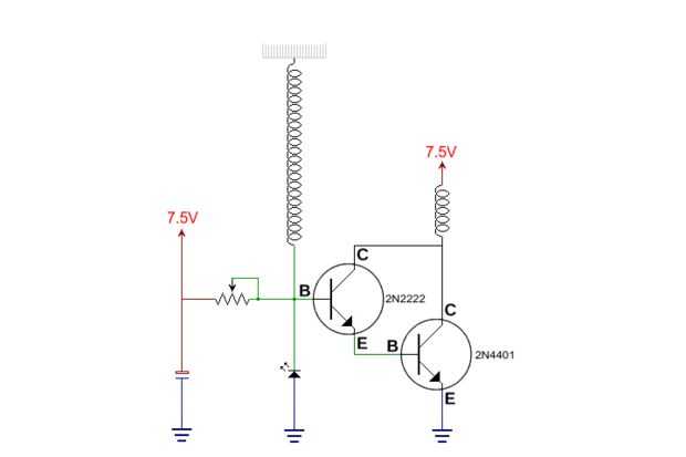
- La segunda imagen muestra mi primer diseño de trabajo. Mastican a través de muchos transistores y no era muy estable, pero funcionó.
- Esperanza para un mejor rendimiento y fiabilidad, probé un par de darlington. Puso hacia fuera aproximadamente la misma cantidad de energía, pero no mató mi transistores. Creo que esto es porque aumenta la ganancia y la retroalimentación de L2 fue suficiente para mantener la oscilación. Creo que esto es debido a no cierre para arriba y pop mis transistores.
- Me di cuenta después de ejecutar el circuito por un tiempo que había conectado mal en mi protoboard pero funcionó de todas formas. Decide "arreglarlo" y terminó quemando mis últimos 4401. De entonces encendido tuve que recurrir a de 2n3904. Esta prueba de par darlington no fueron concluyente debido a mi error de no tener el colector del primer transistor conectado a nada. aprendí que si no se rompió, no lo arregles: P
- Finalmente decidí volver a mi circuito original, excepto que esta vez con los 3 restantes 2N3904 en paralelo. (colector a colector, base a base, emisor a emisor). Esto funcionó excepcionalmente bien, y yo no he matado cualquier transistores desde entonces! Ahora, incluso obtener plasma al final! Si usted decide construir esto, utilice esa configuración, pero utilizar transistores más potentes, como de 2N2222 o de 2N4401. Puede manejar más corriente.
- [Actualización, marzo de 2014] Más adelante entonces decidió utilizar un transistor MJE3055 en vez de los transistores TO92 débiles y comenzó a obtener mucho mejor rendimiento. Subió el voltaje de 9V a 12V y sustituye la resistencia de 1Mohm para un resistor de 10K. Puede obtener los datos de los instrucción en el video.
- [Actualización mayo, 2015] He ahora comencé a trabajar en una versión MOSFET del excitador de slayer y con 50V y un disipador de calor de la computadora, puedo obtener resultados que bordean un pequeño SSTC!!!!!! (Bobina de Tesla de estado sólido) Desafortunadamente la complejidad del circuito aumentó, debido a la necesidad de conducir la puerta de la FET con tampón para permitir el cambio rápido. Por suerte es ultra estable cuando se sintoniza correctamente y puede entregar mucha más potencia con más voltaje. Aumentó el tamaño del disipador de calor en comparación con lo que usé en el primer excitador asesino video y tienen activado ventilador dando un flujo de aire. Ahora puedo dejarla correr indefinidamente a 24V y más allá! : D Nota: El topload es aún crítica, si es demasiado grande, rendimiento disminuirá. También yo puedo dibujar hasta 3 pulgadas de largo, arcos increíblemente calientes y corona de get que es aproximadamente una pulgada larga!!! Incluso he podido "quemar" un destornillador desde adentro hacia afuera! Donde el eje está encapsulado en plástico transparente, plástico comenzó a experimentar ruptura dieléctrica y comenzó a derretir, y finalmente la electricidad quema un agujero carbonizado por el plástico en mis dedos, Ouch! La electricidad realmente debe amarme! : P.