Paso 2: Cableado del circuito

123D de circuitos de enlace El diagrama de arriba es bastante simple, pero en caso de que necesite alguna explicación vamos a detallar lo que está sucediendo.
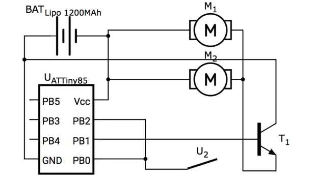
Vamos a empezar con los motores de vibración. Me encanta tratar con estas baterías lipo porque en lugar de diodos, controladores de motores, etc., sólo podemos conectar los motores de vibración hacia la energía de la batería y buzz en la fuerza perfecta. Por lo tanto, para controlarlos, conectamos los cables de voltaje de los motores la energía de la batería, y los motivos para el emisor de un transistor que en este sentido sólo está actuando como un relé. El colector en el transistor está conectado a tierra, y la base está conectada al Pin 1 en el ATTiny.
La otra parte de este circuito es el interruptor de vibración. Un extremo está conectado al Pin 0 en el ATTiny, y la otra está conectada al Pin 2. En el código de uno de estos pines se establece en un estado bajo como un suelo y el otro simplemente se utiliza para detectar si el resorte en el interior del interruptor hace contacto con la cabecera, que debe establecer el estado del pin a alto, diciéndonos que vibran los motores girando del transistor a alta.
Ahora para algunos consejos útiles. El interruptor de vibración, recomiendo aislante el cable pequeño con pegamento caliente para evitar que accidentalmente hacer contacto con el encabezado y dejar de última hora. No pude encontrar una parte en los circuitos 123d, por lo que acaba de poner en una parte al azar. Lo que tienes que hacer es conectar la cabecera al Pin 0 o Pin 2 y el pequeño cable con el conector restante. Estas cosas no son polarizadas por lo que no importa la orientación.