Paso 1: Los componentes de este circuito


Esto no será una muy larga lista de elementos.
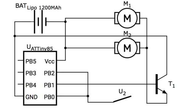
-ATTiny85 -esto no debe ser la variedad de montaje en superficie. Usted puede encontrar estos por todo el lugar.
-Zócalo de 8 pines- Esto es lo que vamos a utilizar para sostener nuestro ATTiny. Esto es específicamente lo que usé: tomas
- 1200 MAh batería de polímero de ión de litio -utilizar estas baterías en casi todos mis proyectos ya que son pequeños y capaces de poner mucha de la corriente que debe realmente conseguir nuestros motores de vibración zumbido. Aquí es el utiliza: batería
-2 x motores de vibración- Lo que hará nuestra lata buzz. Este es el link: Motores de vibración
-Interruptor/Sensor de vibración- Cómo se detecta cuando la lata está siendo manejada. Obtener la variedad "rápida" por lo que es muy sensible. Aquí hay un enlace al que usé: Interruptor rápido de la vibración
-Conector JST- Se trata de cómo se conecte la batería a nuestro circuito. Link u otro Link
-Lata de la menta de tu elegir
- 10 uF Capacitor -esto no es necesario para el circuito real, sino para programación del ATTiny.
-Arduino Uno o Similar -lo mismo que el condensador, usado para programar el ATTiny85.
- Opcional: muy pequeño Proto Board -usted puede soldar todos los componentes para esto como yo lo hice o libre de alambre. Tampoco funciona bien.
- Para hacer el circuito: soldador de soldadura caliente pegamento pistola, ayudante de soldadura (corchetes del metal en los brazos)