Paso 9: Módulo: Upcounter

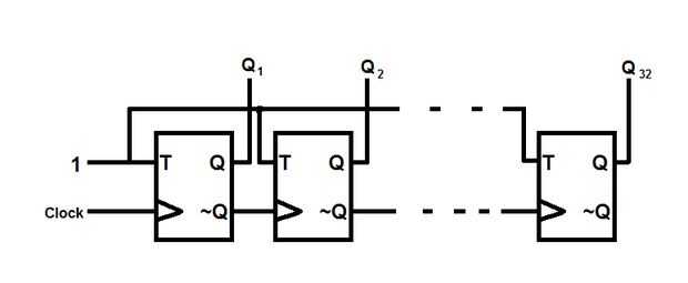
Hay un contador arriba en medio de una frecuencia dada. Esto se utiliza en unión con el PLL para crear frecuencias específicas. La frecuencia inicial de de que todas ellas se basan fuera es el reloj de la Junta de Altera, que funciona a 50 MHz. La frecuencia producida por el contador de arriba se hace contando cuando la frecuencia dada va de bajo a alto (borde positivo). Esto será la mitad de la frecuencia como la frecuencia inicial se basa apagado del reloj, que tiene bordes positivos en intervalos iguales de tiempo. El circuito real de esto es un 32 bits asincrónica por contador. Se hace con cierres D 32 con cable en serie.