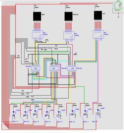
Paso 8: Conexión a fuente de alimentación



Ahora han conectado todos los IC y cambia. Ahora conectamos la tierra y el poder. Este circuito necesita 5V para funcionar correctamente.
Sin embargo, es aceptable utilizar una batería de 9V. En el resultado de mis resultados me di cuenta de que después de que el circuito ha estado funcionando un tiempo los números a veces conseguirán garabateados, esto sólo sucedió cuando usé una batería.
No he tenido problemas se producen cuando una fuente de alimentación constante. Ejemplo: USB o 5V adaptador de corriente.
Espero que este proyecto es fácil de entender. Este es mi primer Instructable! Espero publicar muchos más :)
Para cualquier duda o corrección correo electrónico bits4bots
Nos da igual. Canal de YouTube
Gracias.