


ICs TTL de la 74 serie son fáciles de sacar de viejos equipos. A menudo están en zócalos y sólo puede sacarse de viejas tablas.
Wikipedia tiene una lista y enlaces a muchas descripciones de lo que hacen: http://en.wikipedia.org/wiki/List_of_7400_series_integrated_circuits
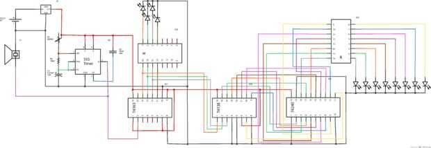
Tenemos algunos de Jameco y de tableros de piezas antiguas. Este proyecto fue poner juntos en un buildnight en HackBergen.
Partes utilizadas:
-3 PC breadboards - podría haber usado 2, pero es agradable tener la habitación extra para asegurarse de que todo está conectado bien.
-Batería de 9V
-555 IC
-74163 IC
-74138 IC
-74240 IC
-PC 2 DIL 330 ohmios x 8 resistor array - o resistencias normales de uso. Un baño como este hace más fácil evitar cortos circuitos causados por las piernas de larga resistencia.
-12 LEDs
-Un montón de alambres de un cable de teléfono viejo
-7805 regulador
-0.47uF Capasitor
-0.01uF Capasitor
-Zumbador Piezo
-Resistencia de 10 K
-K 220 medidor de registro - sólo usé uno que tenía, que era fácil de ajustar. Esto podría ser preferiblemente lin en lugar de registro.
Herramientas utilizadas:
-Pelacables Knipex - muy buena herramienta cuando tienes un montón de alambre que tira de http://www.knipex.com/index.php?id=72&L=1
-Capacitancia metros - encontrar el capasitors adecuado de equipos antiguos pueden ser difíciles, como la escritura sobre ellos no siempre es clara o existente. Utilizamos este uno, que era muy bueno: http://www.bkprecision.com/products/component-testers/capacitance-meters/890C-dual-display-capacitance-meter-to-200-mf.html
Este proyecto fue documentado usando Fritzing. El archivo está disponible en este archivo zip: