Paso 4: Eje ficticio apoyo






















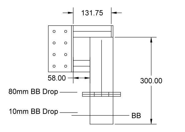
La longitud de las dos piezas de 80-40 se basan en esta distancia de la línea central. En mi caso son de 58mm y mm 131,75. Áspero corté con primer lugar sobra. Después de esta Asamblea se armó usé los molinos Bridgeport y al final para asegurarse de que la superficie de estas piezas eran cuadrados, iguales y de la longitud exacta que necesitaba.
La longitud de los 80-80 se basa en BB de la gota. Este es un factor de diseño en edificio y una medida para configurar mi plantilla. Si desea construir bicicletas con BB (mayoría bicicletas) y no construcción de bicicletas con la subida de BB (bicicletas BMX) como yo de esta pieza sólo necesita ampliar, como el centro de la cáscara de BB. Voy a más adelante la Asamblea de BB pero en mi diseño de su centro encuentra 150mm por debajo de la base de la columna principal.
La pieza superior de 80-40 consigue perforado en una manera similar a la columna vertebral vertical pero sin hardware especial. Consigue atornillada directamente a los 80-80. Alinee los cuatro agujeros con los agujeros en la parte superior de los 80-80 pero el recuadro de la parte frontal por el grosor de su stock de 1/4"(~ 7mm en mi caso). Esta vez los agujeros son para tornillos de M8 y deben ser más precisos que los orificios de acceso de la herramienta. Usé el Bridgeport. Avellane los agujeros con un molino de extremo de los pernos en. También aprovechar los orificios a ambos lados de esta pieza de 80-40 (espera hacerlo en la parte trasera hasta que haya montado y molido esta superficie.
Aprovechar los agujeros en la parte superior de 80-80 (M8 1,25), asegúrese de que es cuadrada.
Corte y taladro (o en mi caso, jet de agua) las placas de 1/4". Uno para la parte delantera de la pieza superior de 80-40 y otro para la parte posterior de todo el conjunto (véase archivos de cad).
Yo también incrustaciones una medición de la cinta en esta pieza. Se utiliza para establecer la caída de pedalier. Mide la distancia que el eje está por encima de la ubicación fija de la BB (o hasta qué punto debajo de la línea de eje que es el BB). Para lograr esto pones "0" en la cinta de medición a la misma distancia por debajo de la columna vertebral como el centro de BB es (150mm en mi caso). El problema es que necesita compensar un poco la cinta para que la lectura que quiere obtener en la base del bloque del eje ficticio es realmente la situación del eje ficticio. Simplemente Mida la distancia desde el centro del eje ficticio y el borde del bloque eje ficticio. Mueva la cinta hacia abajo esta cantidad.