Bicicleta indicador del norte (1 / 10 paso)

Paso 1: esquema

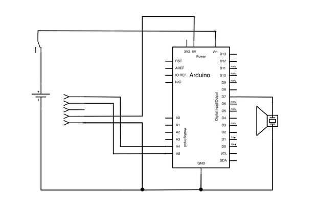
El esquema anterior muestra lo simple que es este proyecto.  Una batería de 9V y el interruptor se conectan en serie al Vin y pines de Arduino de la tierra-esta es la fuente de alimentación para el proyecto.  El Arduino suministra energía a dos pines del módulo brújula (ver nota en la imagen de arriba) y pines analógicos A4 y A5 están acostumbrados a recibir datos desde el módulo de brújula.  el zumbador piezo es controlado por el pin digital de Arduino 7.

Artículos Relacionados

Correctamente ajuste paquete bicicleta cojinetes del eje

Correctamente ajuste paquete bicicleta cojinetes del eje

es un método que he utilizado para pozos de más de una década vuelva cojinetes del eje de bicicleta y ajustar a una precarga adecuada para una óptima duración y rendimiento.Esto fue publicado en una prisa relativa, así que comentar cualquier correcci
Encontrar la dirección del norte y el tiempo por cualquier estrella brillante.

Encontrar la dirección del norte y el tiempo por cualquier estrella brillante.

por tonytran2015 (Melbourne, Australia).Mayoría de las personas viven en las zonas templadas y árticas norteñas sabe cómo encontrar la estrella Polaris para encontrar la dirección del norte y aún puede decir la hora por la orientación del carro menor
Tortillas de avena de Staffordshire del norte

Tortillas de avena de Staffordshire del norte

Si usted viene de Stoke-on-Trent no necesita que se les diga lo que son tortillas de avena. De hecho, su fama se diseminó tan lejanos como puente de Blythe. Pero este delicioso alimento local merece una audiencia aún más amplia. Solía ser común que s
Encontrar la dirección del norte y tiempo utilizando las características superficiales del p3-Luna Luna

Encontrar la dirección del norte y tiempo utilizando las características superficiales del p3-Luna Luna

por tonytran2015 (Melbourne, Australia)Esta es la parte final sobre el uso de la luna para encontrar dirección y tiempo. Las características de la superficie de la luna pueden utilizarse como una rosa de brújula para los habitantes de la tierra.Paso
Encontrar la dirección del norte y el tiempo de la luna

Encontrar la dirección del norte y el tiempo de la luna

por tonytran2015 (Melbourne, Australia)Encontrar dirección norte de la luna no no puede ser tan preciso como el sol. Hay muchas causas para esto:1-la luna no siempre se levanta en el este.2 /-¡ no podemos resolver por corazón declinación de la luna (
Encontrar la dirección del norte y el tiempo de la luna, p2: línea de cuerno

Encontrar la dirección del norte y el tiempo de la luna, p2: línea de cuerno

por tonytran2015 (Melbourne, Australia)Encontrar dirección norte de la luna no no puede ser tan preciso como el sol. Hay muchas causas para esto:1-la luna no siempre se levanta en el este.2 /-¡ no podemos resolver por corazón declinación de la luna (
¿Cómo escapar de Corea del norte

¿Cómo escapar de Corea del norte

tiene su gobierno todo su dinero y pretenden "distribuir bastante", haciendo alto ranking oficiales ricos mientras mueren de hambre?¿Tu gobierno te obligan a vivir en duras condiciones y participar en actividades militares?¿Su gobierno ocultar t
Fotografía de luces del norte

Fotografía de luces del norte

Luces del norte la captura con una cámara digital no es complicada. Sólo necesita el equipo adecuado y la configuración.En este instructable, mostraré qué cambios llevar para una sesión de disparos de aurora. También hablo acerca de cómo configurar l
¿Cómo llegar a 'Polaris' - la estrella del norte

¿Cómo llegar a 'Polaris' - la estrella del norte

vives en una gran ciudad impregnada con contaminación lumínica?  ¿Nunca estado acampando?  ¿O simplemente nadie nunca señaló lo que?Polaris, la estrella del norte, es una importante estrella de navegación debido a su posición en el cielo es casi exac
Paneer mantequilla Masala - receta del Curry indio famoso del norte - por cocina de Kanak

Paneer mantequilla Masala - receta del Curry indio famoso del norte - por cocina de Kanak

Paneer mantequilla Masala- este es un muy famoso curso del norte de India veg principal-. Un plato perfecto que va muy bien con arroz, Roti o Naan. Este es un plato de estilo restaurante y ahora usted puede cocinar esto desde la comodidad de su hogar
Centro de estrella del norte

Centro de estrella del norte

estrella del norte es un centro urbano público dedicado a volver a conectar personas con sus mismos auténticos, otros y la naturaleza. Esta nueva institución tiene como objetivo detener los ciclos esclavizantes de producción y consumo que domina nues
Cómo para encontrar puntos cardinales con la estrella del norte

Cómo para encontrar puntos cardinales con la estrella del norte

la noche se prepara para le engullen, han pasado 5 horas desde que fueron separados de su grupo de senderismo, se desvanece la esperanza de su supervivencia y salvamento. De repente te das cuenta de eso hace 3 meses en instructables leer algo y senti
Malai Kofta - bolas de queso - receta India del picante del norte

Malai Kofta - bolas de queso - receta India del picante del norte

Rico y cremoso malai kofta deleita a casi todos vegetarianos. El video es sobre como hacer koftas perfecto para que usted disfrute el plato clásico del Norte India con pan naan o rotis e incluso arroz y pulav.Ingredientes:2 papas hervidas100 gms Pane
Carolina del norte v. Coleman explica Heien v. Carolina del norte

Carolina del norte v. Coleman explica Heien v. Carolina del norte

15 de diciembre de 2014, el Tribunal Supremo de Estados Unidos emitió un polémico dictamen sobre v Heinen. El estado de norte CarolinaThe Corte Suprema de los Estados Unidos decidió el asunto de Carolina del norte en 15 de diciembre de 2014. La celeb