Paso 14: El indicador del ángulo de la presentación









El indicador de ángulo de pantalla consiste en un lazo de cinta de apoyo de rodillo de papel impreso con una escala graduada en incrementos de 1 grado. El circuito está conectado a una pestaña que se extiende desde y se acciona mediante el disco de elevación central. La cinta de papel se mantiene tensa por medio de un resorte que empuja contra el soporte deslizante del rodillo inferior. Hay dos rodillos en la parte superior de la Asamblea para que esta área de la cinta graduada se muestra plano. Los rodillos son bujes de nylon con rodamientos de segmentos cortos de línea de freno de acero. Las arandelas de defensa mantienen la cinta en su lugar, y tornillos para fijar todos estos componentes en la estructura de soporte de madera.
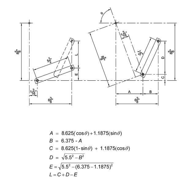
El aspecto más desafiante de esta parte del proyecto es la generación de la escala a imprimir en la cinta. La naturaleza del dispositivo de elevación resulta en una relación no lineal entre el movimiento vertical del disco central de la elevación y el ángulo de los bolsillos de soporte de la bandera. Con el fin de establecer la relación matemática, muestra un diagrama de la geometría; etiquetado las constantes y variables; elaboró las relaciones trigonométricas; y las ecuaciones asociadas. Entré en estas ecuaciones en una hoja de cálculo Microsoft® Excel que he creado para generar la distancia de elevación necesaria para hacer rotar los bolsillos de apoyo de bandera para cada ángulo medido respecto a la horizontal. Esta distancia va desde 0.0000"(sin ascensor) de 90 grados (verticales) hasta 6,4531" de 50 grados.
En AutoCAD, compensan las distancias generadas en la hoja de cálculo para crear la escala no lineal. La imagen que publiqué de la tira graduada muestra cómo algunas de esas distancias se refieren a la escala. Puesto que el lazo es más largo que una sola hoja de tamaño carta, una segunda tira de papel tiene que empalmar en la regleta graduada.