Paso 2:

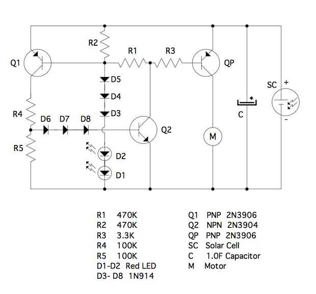
Refiriéndose a la mencionada Instructable, el motor Solar de Pascua y desactivar tensiones puede variar por el uso de diodos y LED conectado en la parte de disparo y cierre del circuito. Una tabla enumera algunas de las combinaciones comunes y su tensión de conmutación. En este caso, la tensión de ciclo de encendido y apagado de puntos debían ser superior previamente probado. Experimentación en un protoboard solderless finalmente dio como resultado la combinación satisfactoria que se muestra a continuación. La cadena que dispara la base del transistor Q1 a tierra tiene dos LEDs rojos y tres diodos en serie. Se enciende en unos 4.1V. El transistor de cierre Q2 tiene tres diodos en serie con la base dando un punto de desvío de alrededor de 3.6V. Este arreglo da buen funcionamiento animado para el autobús (que se puede ver en este corto video).