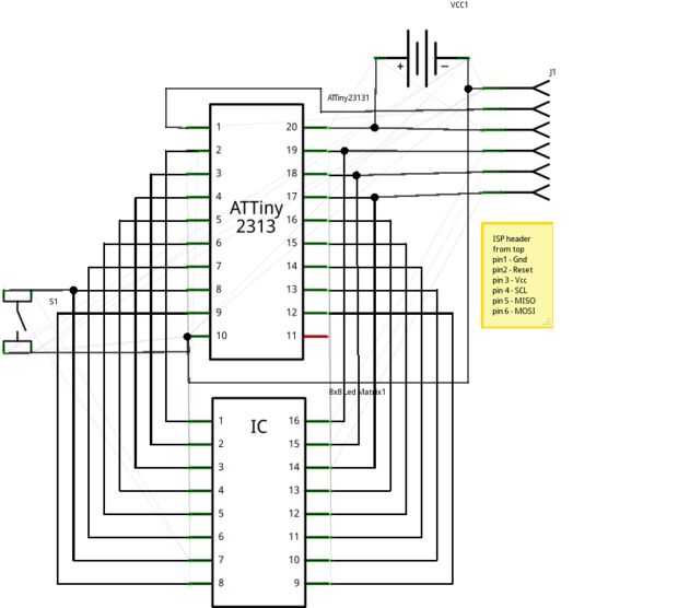
Paso 3: Diseño y montaje de la Breadboard


. Cortar 2 alambres de #22 swg e inserte en el protoboard como se muestra en diagrama diseño.
. Usted puede utilizar otros cables, he utilizado cables de núcleo extraídos de cables de red comunes.
. Inserte el MCU (attiny2313v) en protoboard según esquema de diseño.
. Introduzca la matriz de LED.
. Inserte el interruptor táctil.
. Diagrama esquemático adjuntado también para referencias.