






¿Por qué utilizar esta "cosa" (hoja de datos: http://www.atmel.com/Images/doc2593.pdf) en su lugar un Arduino?
-Aprender a soldar
-Aprender cómo funciona un Arduino
-Más i/os (Arduino tiene 20, el ATmega 32)!
-Más grande flash memoria/SRAM (Arduino tiene 32KB a 2KB, ATmega 64KB / 4KB)
-hackeable! Usted puede agregar lo que desee en esta placa!
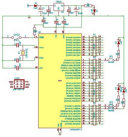
Características:
-1 indicater de poder LED
-1 debug LED, que puede desactivar quitando el Jumper
-2 LEDs de UART (RX, TX), que también puede desactivarse
-Alimentación con adaptador de TTL/USB Programador de ISP o el suministro de energía
-Botón de reset
Cosas que necesitará:
-/veroboard x Prototyping-1 (27 x 37 hoyos)
-alambre para conectar las piezas de cobre de algunos
-1 inmersión de x ATmega 644
-Jefe 1 x 40 pin IC
-1 x 2 x 3 encabezado masculino para el ICSP
-4 LEDs x en su color favorito (te recomiendo utilizar colores diferentes)
-1 x botón de 6mmx6mm
-1 x regulador de 5V 7805
-1 x diodo 4007
-2 x 10μF electrolítica condensadores
-6 x condensadores de 100nF
-2 condensadores de 22pF para el cristal
-4 x 220 resistencia, ohmios para los LEDs
-1 x resistencia de 1 kOhm para el pin de reset
-3 x 2 x 1 hombres encabezados por los puentes
-3 puentes x para activar o desactivar el LED
-1 x 8 x 1 Rúbrica femenina
-1 x 7 x 1 hembra encabezado (headers hembra pueden cortarse con un sidecutter)
-1 x 11 x 1 Rúbrica femenina
-1 x 9 x 1 Rúbrica femenina
Opcional:
-Cristal para temporizadores de precisión
-3 x 1 o 2 x 1 x 1 hembra encabezados para el cristal
-Convertidor de USB a TTL para programa/depurar el ATmega utilizando el IDE de Arduino
Construirlo:
-Descargar el diseño de prototipos de este sitio web
-conseguir la placa de prototipado y soldar todos los componentes en el lugar correcto (resistencias verticales son puentes: A doble
algunos cobre la manera correcta de alambre y soldadura como una resistencia)
-los componentes de alambre juntos
Usarlo por primera vez:
1) comprueba todas las conexiones de soldadura!
2) Plugin su poder suministro/ISP programador/convertidor de USB a TTL.
3) verifica si el LED de encendido se ilumina. Si no desconecte su alimentación y volver al paso 1.
4) olor! ¿Algo huele a quemado?
5) Compruebe su voltaje el 7805 (pin 3 debe ser de 5V, pin 9, 10 y 30 de la cabecera de IC (debe ser de 5V). Si son a alta o a
Desconecte el suministro de energía y volver al paso 1.
6) Plugin tu ATmega.
7) olor otra vez y sentir la temperatura de la IC (ATmega 644). Si algo huele mal o se caliente go de nuevo al paso 1.
8) ¡ disfruta!
¿Cómo puedo usarla en el IDE de Arduino?
-Comprar piezas opcionales y conectarlos!
-Siga estas instrucciones: http://sanguino.cc/useit