Paso 1: Circuito de arnés


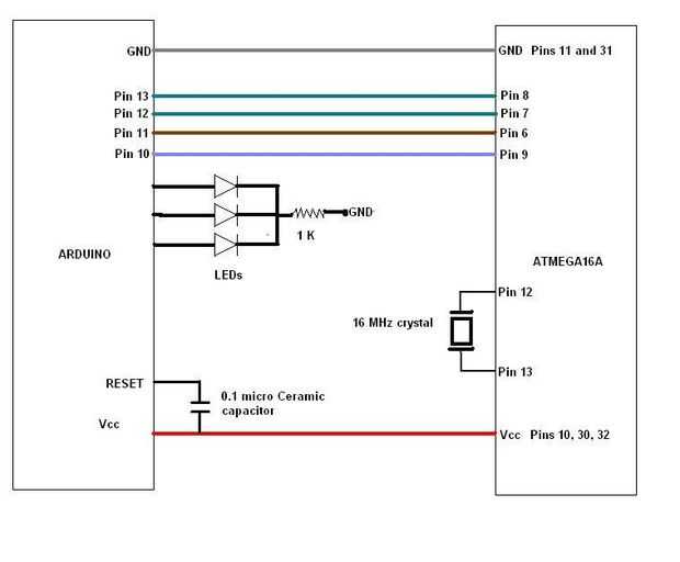
En esquemas, puedes ver los cables arnés de Arduino y sus terminales correspondientes en el Atmega16A.
Lista de elementos necesarios para el arnés de cables
1) algunos cables
2) pernos de PCB
3) tubería del encogimiento del calor de
4) LED
Micro condensador de cerámica de 5) 0.1
6) 1 K resistencia de ohm
Soldar los cables a los pines PCB y utilice tubería encogible para aislar clavijas. Conectar LEDs, resistencia de 1K y el condensador según el esquema.
Además, necesita conectar cristal de 16MHz a los pines 12 y 13 de Atmega16A. También conectar pines Vcc y GND a los correspondientes pines del Atmega16 del arnés.