ArduinoISP mazo (4 / 5 paso)

Paso 4: Conectar Uno con chip blanco

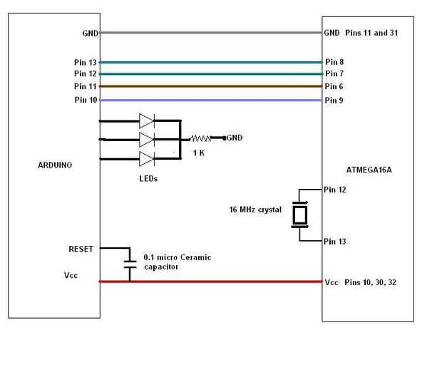
Conectar Arduion Uno y Atmega16A (en protoboard) usando el mazo de cables según el esquema dado.

Artículos Relacionados

Hacer su propio mazo de goma caliente! (Martillo de goma) | Herramientas de bricolaje para madera #4

Hacer su propio mazo de goma caliente! (Martillo de goma) | Herramientas de bricolaje para madera #4

¿Por qué sería comprar un mazo de goma? ¿Por qué debo pagar casi $10 por un pequeño trozo de goma y un asa? Bueno, puedo hacer uno con varios palos de pegamento caliente!En mis experimentos, un mazo de goma es incluso mejor que un mazo de madera para
LEGO, hormigón y epoxi mazo

LEGO, hormigón y epoxi mazo

Este LEGO, mazo de hormigón y epoxi fue muy divertido de hacer y realmente funciona muy bien. Qué es tan asombroso acerca de este mazo es el peso, así que es perfecto para el trabajo de cincel fino y el epoxi encapsula perfectamente el hormigón. No n
Escudo de combinación de cargador/programador de ArduinoISP

Escudo de combinación de cargador/programador de ArduinoISP

recientemente comencé a interesarme en la construcción de robots basado en Arduino. Puesto que es un proceso traumatizante para desarmar cualquier creación, yo estoy optando para mina mantener vivito y coleando. Para reducir el costo de esta estrateg
Mazos de artesano para Boutique, carpintería y escultura

Mazos de artesano para Boutique, carpintería y escultura

Hay un refrán que va; "una mujer de artesano es tan buena como sus herramientas. Para mí, eso es sólo la mitad de la ecuación ya que, en mi opinión, mayor fuerza de crafter es en la capacidad de crear su propio equipo. Para ver la necesidad de concep
Mazos de Glockenspiel imprimibles 3D

Mazos de Glockenspiel imprimibles 3D

Hola músicos! Este Instructable le mostrará cómo crear un modelo 3D de mazos de glock/bell en la versión de escritorio de diseño 123d, por lo que puedes imprimir con una impresora 3D. Este es un diseño muy simple, pero pensé que sería útil cuando nec
Mazo de utilidades

Mazo de utilidades

He significado para hacer una copia de este mazo por un amigo de edad es alrededor de 35 años de edad y se hizo mediante la laminación 4 trozos de ceniza junto equipados ronda el mango de cola de Milano deslizantes.Voy a hacer de roble blanco america
Cómo hacer un mazo de cabeza sólida

Cómo hacer un mazo de cabeza sólida

Un martillo de cabeza sólido cuenta con una cabeza de bloque, un cincelado agujero en el centro con un mango en. Este diseño es extremadamente fuerte y durable, y estos mazos de fabricante son tan útiles, no importa si fina carpintería, trabajos de m
Cómo hacer un mazo de madera

Cómo hacer un mazo de madera

He visto un montón de trabajadores, incluyendo youtube los hacen sus propios mazos de madera. Son muy divertido de hacer y hay muchas tomas en esta herramienta de carpintería clásica.La que estoy haciendo hoy está fabricada en forma difícilmente del
Hacer un mazo de goma de ante suave - madera trabajo y cinceles.

Hacer un mazo de goma de ante suave - madera trabajo y cinceles.

me encantan los cinceles y mazos...Hay algo fundamentalmente - no sé cómo describirlo.Me gusta la sensación de absolutamente razor sharp cinceles cortando madera.Me gusta el hecho de que estoy en control total de cada corte, su dirección, profundidad
Mazo de madera

Mazo de madera

hice esta mazo de madera en el taller de tecnología (Pittsburgh), utilizando el torno de madera, barra de pinzas, sierras, Sierra y taladro. Tardó más de un día, pero que era sobre todo debido a dejar que el pegamento seco... y otros proyectos que te
Mazo de goma con pegamento caliente

Mazo de goma con pegamento caliente

Hola todo el mundo! Hoy voy a mostrarles como hacer un mazo de goma. Un martillo de goma es un martillo con cabeza de goma usada para ofrecer el menor impacto que un martillo de acero. Vamos a hacer en nuestra cocina en menos de una hora. Permite com
UHMW polímero Carver hueco mazo

UHMW polímero Carver hueco mazo

En este Instructable, partimos los ojos en una herramienta simple pero muy eficaz, el mazo de cuero humilde trabajo. Golpe cientos de agujeros cada semana se deslice abrazaderas metálicas en su lugar o botones broches de presión. Durante mucho tiempo
Trabajo con torno ~ un mazo para la tienda

Trabajo con torno ~ un mazo para la tienda

cada carpintero manitas necesitan un buen mazo fuerte.  Son realmente no es tan difíciles hacer bien.  Todo, era un taco de álamo y un bloque de nogal.  Sé que nogal es una de las maderas que nunca ves gente pero tenía un enorme registro de él coloca
Cómo hacer un mini Baseball Bat/mazo

Cómo hacer un mini Baseball Bat/mazo

En este Instructable vamos a pasar por los pasos necesarios para convertir un trozo de madera en un bate de mini-béisbol rápido y divertido! Estos murciélagos mini son ideales como regalos, mazos de cincel, ABLANDADORAS de carne y más diversión!ADX e