Paso 2: Diseño de matriz de LED


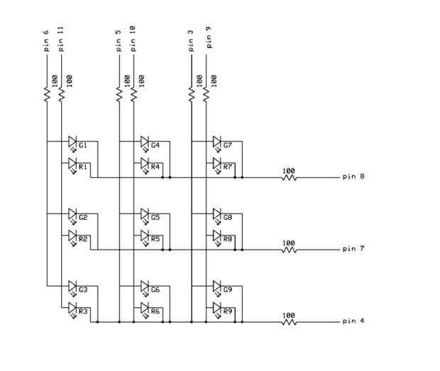
Las líneas roja y verde ánodo entran los pines PWM de Arduino (pines 3, 5, 6, 9, 10, 11 en el Duemilanove), por lo que podemos tener efectos como desapareciendo más tarde. El cátodo líneas van en los pines 4, 7 y 8.
Cada una de las líneas de cátodo y el ánodo tienen resistencias de 100 ohm para protección.