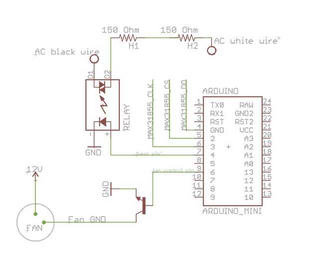
Paso 4: El circuito Resumen

Cuando se montan los componentes electrónicos por primera vez, me sugieren protoboard, soldar. Si usted termina haciendo caso, deberás desconectar y volver a conectar un par de cosas para que encajen!
Cuando se montan los componentes electrónicos por primera vez, me sugieren protoboard, soldar. Si usted termina haciendo caso, deberás desconectar y volver a conectar un par de cosas para que encajen!