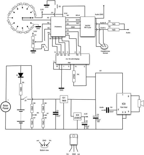
Arduino Solar FM Radio

* carga Solar, mediante el panel en la parte posterior.
* interruptor de posición 12 para seleccionar número de canal
* Buscar para buscar abajo de los controles y 'store' botón
* RDS pantalla de distintivo de llamada
* Frecuencia
* Exhibición de voltaje de batería
* Pantalla de corriente solar

http://srmonk.blogspot.com/2011/09/Arduino-solar-radio.html

Artículos Relacionados

Arduino / frambuesa Pi Radio por Internet

Arduino / frambuesa Pi Radio por Internet

Se trata de un proyecto de Arduino y Raspberry Pi hacer una Radio por Internet, dirigido a nivel intermedio. Cierta familiaridad con el uso de Linux va ser beneficioso (o acceso a alguien que puede ayudar si es necesario).Frambuesa Pi ejecuta daemon
Primeros pasos con Arduino - Nordic NRF24L01 Radios

Primeros pasos con Arduino - Nordic NRF24L01 Radios

En este tutorial, usaremos un par de Nordic NRF24L01 Radios para comunicarse entre dos Arduinos separados.NRF24L01 radios son tablas muy baratos, ideales para la comunicación de corto alcance entre dispositivos múltiples.Vamos a establecer una Arduin
Laser-corte Arduino + caja de radio

Laser-corte Arduino + caja de radio

corte laser esta caja de contrachapado de nogal.  Dentro, hay un Arduino y un receptor de radio para recibir la telemetría de mi red inalámbrica de sensores.  Todo es accionado por el puerto USB, que está conectado a un pequeño servidor que he compra
Arduino solar regulador de carga + control de salida y registro de datos en línea con Xbee WiFi

Arduino solar regulador de carga + control de salida y registro de datos en línea con Xbee WiFi

Hace un tiempo atrás empecé a trabajar en un controlador de carga solar, estaba basado en un microcontrolador PIC, un 20 x 4 caracteres de la pantalla y el código fue escrito en lenguaje ensamblador. Funcionaba bien y aún trabajaba cuando decidí que
Shield Arduino Solar - una fuente solar DIY para sus proyectos, sin esperar a PCB

Shield Arduino Solar - una fuente solar DIY para sus proyectos, sin esperar a PCB

este instructable es una versión básica de Bley Joel ("es 9:00 en sábado, la muchedumbre regular baraja en") Protector Solary deberían funcionar para la mayoría arduinos.  Lo he probado con Arduino Pro de SparkFun y el nuevo Leonardo.Yo y los ot
Tiempo de Arduino solar calentador piscina

Tiempo de Arduino solar calentador piscina

1ª excusa mala gramática/ortografía...El año pasado decidí hacer un calentador solar para mi piscina por encima de la tierra...He comprado 400' de PVC negro de tuberías... una bomba para estanques... y accesorios...lo tenia funcionando en un temporiz
CONTROLADOR de carga SOLAR de ARDUINO (versión 2.0)

CONTROLADOR de carga SOLAR de ARDUINO (versión 2.0)

Hace un año, comencé a construir mi propio sistema solar para proporcionar energía para mi casa. Inicialmente hice un regulador LM317 base y un metro de la energía para el sistema de vigilancia. Finalmente hice controlador de carga PWM. En abril de 2
CONTROLADOR de carga SOLAR de ARDUINO (versión-1)

CONTROLADOR de carga SOLAR de ARDUINO (versión-1)

En mi anterior instructables he descrito los detalles de control de energía de una red de sistema solar. También he ganado el concurso 123D de circuitos para. Puedes ver este medidor de energía de ARDUINO.Por fin publico mi nuevo controlador de carga
El Darth Solar Powered espacio Ingeniero tablero de Clip y mochila caja

El Darth Solar Powered espacio Ingeniero tablero de Clip y mochila caja

El Darth Solar Powered espacio Ingeniero portapapeles y mochila cajaPaso 1: No olvides el portapapeles! El Solar Powered Clip Junta recinto del ingeniero.Potencia tu Raspberry Pi en el ir! U otras cosas como los teléfonos celulares.Cada panel solar e
¿Arduino Audio accionado el interruptor

¿Arduino Audio accionado el interruptor

Ever quería su entretenimiento en el hogar o el sistema de sonido a la energía encima de sí mismo al conectar tu iPod u otro reproductor portátil de MP3?Vea este vídeo para ver cómo funciona. Entonces voltear a través de los pasos para saber cómo hac
Arduino powered Torre Sutro árbol de cumpleaños con luces y niebla

Arduino powered Torre Sutro árbol de cumpleaños con luces y niebla

Para mi primera vez proyecto Arduino, decidí hacer una Torre Sutro árbol de cumpleaños para mi árbol de Navidad. Este es uno de mis favoritos San Francisco y fue una guía de primer año vivía en la ciudad cuando no sabía donde exactamente estaba.Ver u
Arduino Modular Robot

Arduino Modular Robot

He creado este instructable para mostrar mi desarrollo de un proyecto de robot arduino modular para la MAKEcourse de la Universidad de South Florida (makecourse.com).Este utiliza robot 3d impreso caso diseñado en SolidWorks que utiliza bandejas y ran
Fijibot

Fijibot

Fijibot es un autónomo, uno mismo-carga photovore. Él un 1.5 litros, botella de agua Fiji, un Arduino Uno, panel solar de 6 v (además de otras partes) de Radio Shack, un escudo de Proto de Arduino (además de otras partes) construí de Adafruit y las r
Miniquad autónoma (software)

Miniquad autónoma (software)

Ahora que han convertido su miniquad para ejecutar del Ardupilot mini siguiendo mi anterior instructivo, es el momento de configurar el software. En realidad, incluso si han construido un Ardupilot o Pixhawk base multicopter completamente separada de