Paso 3: Construir la tabla de


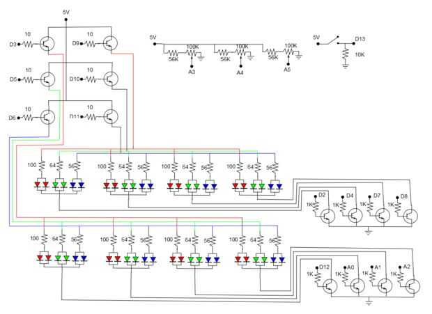
Pasadores de 3,5,6,9,10,11 son capaces de salida PWM. Podemos manejar dos conjuntos de 3 colores. Puedes ver que estos pines están conectados a los transistores se utilizan como interruptores. Se hacen así por lo que creo es una manera interesante, a través de una resistencia de 10 Ohm. Normalmente pondríamos una mayor resistencia para limitar la corriente a través de la base del transistor. Puesto que el 2N3904 tiene un aumento actual de 200, queremos uno que proporciona aproximadamente 1mA para que podamos usar la capacidad 200mA completo de la unidad. Cuando el transistor se abra completamente el voltaje en el LED y resistencia de LED debe estar cerca de 5V. Cuando se habrá una baja diferencia de voltaje entre la Base de la entrada y la emmitter. Así, la unidad debe actuar como un regulador de corriente para muy cerca de 15mA. Yo no soy un experto y no estoy seguro pero parece que funcionan bien en el proyecto terminado.
Tenga en cuenta que para este proyecto asumimos que las siguiente caídas de voltaje en cada LED en 15mA:
Rojo: 2V (por eso tiene la resistencia más grande en serie con él)
Verde: 3V
Azul: 3.3V
Su práctica generalmente no poner LEDs en paralelo porque cualquiera las diferencias en su V-curvas de voluntad provocar brillo diferentes entre ellos. Sólo quería trabajar con 5V, no es suficiente para 2 en serie por lo que he probado mi luz establece las diferencias antes de instalar.
Se puede ver que los potenciómetros y botón se encuentran en el mismo lado que el USB y conector de alimentación. Este es el lado que va a quedar expuesto en el borde de la plataforma para permitir un control de usuario fácil. Los circuitos de potenciómetros y pulsador están en la parte superior derecha.
Esto es donde tener un escudo de prototipado Arduino puede ayudar. Esto es lo que terminé haciendo hacia fuera de un protoboard normal. Sólo encarama sobre el Arduino y se puede quitar e instalar fácilmente.