Paso 1: Conectar el HSM - 20G



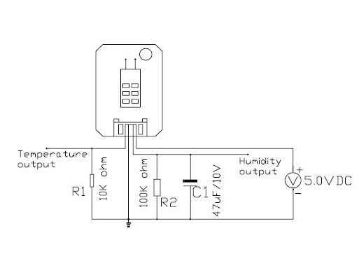
Problema 1: El escudo Nokia3310 encaja en el Freeduino pero no quiero conectar el HSM - 20G al escudo. Hay sólo tres componentes en la interfaz pero no tengo un protoshield o cualquier área de prototipo en el escudo de Nokia3310LCD, así que decidí crear la interfaz en el PCB de HSM - 20G. Esto es razonable, siempre se necesitará cada vez que utilicé el HSM - 20G. Así había soldado el 10K a la salida de la T y a una tierra en la parte superior de la PCB. Vea la foto.
PRECAUCIÓN: Este método no se recomienda para los inexpertos.
Un conector de tierra puede encontrarse siguiendo la tierra (-) en el conector y rastreo en el PCB. La mejor manera de verificar que es tierra es establece el multímetro en ohms y medir entre el pin de (-) del conector y el pin que usted sospecha es. Debe ser corto (menos de un ohmio).
Problema 2: Bueno, no tengo un condensador de 47uFd, pero robaban un condensador de 22uFd de alguna impresora desechada PCB. De la documentación, puedo decir que el condensador no es suavizar la tensión de humedad relativa, por lo que 22uFd debería funcionar bien. Así el condensador a la resistencia de 100K de la soldadura y soldar el cable de la resistencia al pin del conector, asegurándose que el lado positivo del condensador electrolítico es de este lado H. Luego de la soldadura del otro lado de la resistencia a la iniciativa de resistencia de 10K que se suelda a tierra. Vea la foto.
Asegúrese de que todos los conductores de no tocar otros componentes y hay no hay puentes de soldadura.
Problema 3: No había ningún conector para el módulo HSM - 20G o un número de pieza. I correo electrónico Seeeduino solicitando el número de marca y parte y por supuesto no obtuvo respuesta. Pero me robaban a mi montón de chatarra y encontrar un conector que trabajó.
Problema 4: ¿Conectarlo a Arduino? La forma preferida sería conseguir uno de esos protoshields apilable y conectarse el HSM - 20G. También podría poner los circuitos de interfaz en el protoshield. Pero no tenía uno.
No se recomienda: Así había soldado el conector directamente a mi Freeduino. (+) Va a una conexión de 5V. (-) Va a tierra. La 'H' se conecta a 1 analógico y la ' t ' a analógico 2.
PRECAUCIÓN: Al conectar dos diferentes sensores o escudos, tienes que tener cuidado con no superposición pines análogos y digitales. Empecé una hoja de cálculo de Excel que tiene todos mis escudos y los pernos que usan. El escudo del Nokia3310 utiliza análogo 0 para el joystick analógico 1 y 2 están disponibles para el HSM - 20G.
Aquí es el sitio donde encontré el bosquejo HSM - 20G de muestra. Esta persona parece realmente saber lo que está hablando. Había verificado las fórmulas con la hoja de datos HSM - 20G. Son muy precisos. Hay otras interfaces de sensor en esta página, también.
http://sites.Google.com/site/measuringstuff/More-sensor-examples#TOC-HSM-20G-Humidity-and-temperature-mi
Así que fui capaz de ejecutar este ejemplo HSM - 20G del bosquejo y mostrar la temperatura y la humedad en el monitor de la PC.