Paso 7: Y jugar...





En el cuadro 1 puede ver el proyecto terminado y alimentado.
- En Visuino Seleccione el Puerto serie y haga clic en el botón de conectar (foto 3)
- En el Terminal serie se verá la distancia medida por el sensor (foto 4)
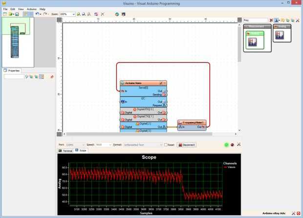
- Si hace clic en la Ficha ámbito también puede ver los valores en el ámbito de aplicación (cuadro 5)
¡ Felicidades! Han aprendido a medir la velocidad de rotación del motor con optoacoplador y Encoder de la rueda.
En el cuadro 2 puede ver el diagrama completo de Visuino .
Puesto que la rueda del codificador tiene múltiples orificios genera múltiples pulsos por rotación. Mi rueda tiene 20 agujeros, por lo que genera 20 pulsos. Para convertir correctamente el resultado en RPM (revoluciones por minuto) tendrá que dividir el valor medido por 20. Mira el siguiente paso para ver cómo hacerlo.