


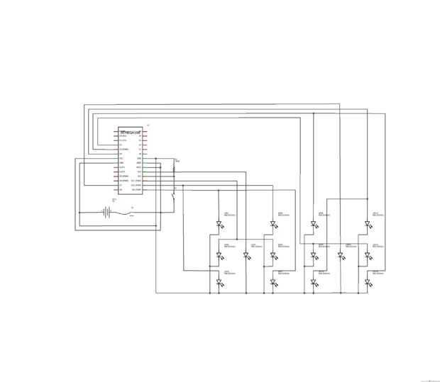
Es de fácil construcción y uso de pocos componentes, los componentes que son:
1 Atmega 8
1 pila 3v
14 LEDs
un resistor de k 10
un conector icsp AVR
un botón de
y un interruptor
El ATMEGA8 es programado mediante un programador externo, el ATMEGA8 está configurado para utilizar el oscilador interno para minimizar al máximo los componentes.
http://youtu.be/vIW5zxfiJAk