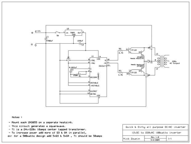
12VDC a 220vAC 100watts inversor

rápido y sucio de uso DC a AC inversor

--Para ver la imagen original, haga clic en el [i] situado en la esquina superior izquierda de cada foto, una vez que se abre haga clic en el enlace: [archivo original: (2040 x 1540) 50 KB] que se encuentra debajo de la foto. Se abrirá el archivo original grande.

Artículos Relacionados

Como hacer un inversor con ARDUINO

Como hacer un inversor con ARDUINO

Hola, este proyecto es sobre todo el diseño de un inversor desde cero, yo siempre estoy fantaseado por los proyectos que consiste en un software que controla un hardware. Con este convertidor, puede encender varios aparatos electrónicos como TV, vent
Apartamento Solar sistema

Apartamento Solar sistema

Este es un 'verde' y el Instructable respetuoso del medio ambiente que crea un sostenible forma de vida que combina el uso de Solar & baterías. Por ejemplo, los materiales / piezas usadas no consumen electricidad inorder para función. En su lugar se
Configuración del ventilador del motor

Configuración del ventilador del motor

Intro:Esta es una guía básica sobre cómo configurar un ventilador motorizado con un viejo motor de secadora.Por simplicidad, no será cubierta desguace secadores para los motores, hay un montón de tutoriales en youtube.Resumen:batería 12Vcc 8amp enchu
Módulo de relé de 12VDC/220VAC para Arduino (casero)

Módulo de relé de 12VDC/220VAC para Arduino (casero)

Hola allí! Hace unos días he hecho un módulo de relé pequeño para mi Arduino. El problema era que fundé en mi tienda local de componentes electrónicos, relés controlados por 12V en vez de 5V como es requerido por Arduino. Así que busqué en internet p
Cómo para construir 100 watt 12v DC a 220v AC inversor circuito usando EasyEDA

Cómo para construir 100 watt 12v DC a 220v AC inversor circuito usando EasyEDA

Todo poder de cara corta en nuestras casas u oficinas un tiempo u otro. En aquellos tiempos generalmente se usan generador o inversor. Generadores de energía usan gasolina o diesel como combustible y son ruidosos. No vamos a discutir sobre generadore
Circuito de inversor sinusoidal pura

Circuito de inversor sinusoidal pura

TABLERO DEL CONDUCTOR SINUSOIDAL PURA INVERSOR UTILIZANDO EGS002Circuito de inversor sinusoidal pura con ningún grifo para diseño de centro se ha convertido en simple mediante EGS002 inversor Sinusoidal tarjeta de conductor o tarjeta. Este post se da
CASERA de energía portátil inversor de 220V

CASERA de energía portátil inversor de 220V

Hola amigosEste es un tutorial sobre "Cómo hacer un inversor de la energía portátil 220V" Este inversor es capaz de energía CFL, luces de tubo, dc ventilador ext puede manejar hasta 150W.even te puede cargar su ordenador portátil y móvilNota: es
Adaptable 12Vcc/220VCA inversor de onda sinusoidal pura

Adaptable 12Vcc/220VCA inversor de onda sinusoidal pura

aquí es un inversor de onda sinusoidal pura muy simple basado en el microntoller "PIC 16F628A", "no flipar!", NO no es difícil de utilizar microntollers, realmente no podría ser más fácil que esto.Para quienes preguntan, sí diseñado el
Inversor de onda sinusoidal pura

Inversor de onda sinusoidal pura

Mi investigaciónPaso 1: Inversor de onda sinusoidal pura usando el atmel attiny 13 y IR2110 mosfet driverSe trata de mi inversor de onda sinusoidal pura. Funciona muy bien con todo tipo de aparatos electrónicos sensibles como televisores, máquinas de
Como hacer un inversor de tensión

Como hacer un inversor de tensión

¡Hola!Ahora, aquí está mi primer Instructable y mal mostrarle, cómo hacer que un pequeño inversor de voltaje (es decir, obtener un voltaje negativo fuera positivo) te Bredboard.Algunos circuitos de amplificador necesitan negativa voltaje para trabaja
1000W modificado Inversor de onda sinusoidal con pic microconttoller

1000W modificado Inversor de onda sinusoidal con pic microconttoller

Aquí está un diagrama del circuito de 1000W modificado Inversor de onda sinusoidal. Este inversor de onda sinusoidal modificada está diseñado utilizando el microcontrolador PIC16F877A. MOFET driver 1R2210 se utiliza para MOSFETs conectados al transfo
Un inversor simple, de baja tensión para lámparas fluorescentes hasta 15 vatios

Un inversor simple, de baja tensión para lámparas fluorescentes hasta 15 vatios

gracias a Burak Incepinar por permitirme documentar su diseño. Este es el su sitio web si desea revisar diseños más impresionantes.Este Instructable le ayudará a ejecutar cualquier luz fluorescente de baja tensión, ha sido probado para funcionar luce
Simulación de inversor puente H con NI Multisim y la simulación utilizando NI LabVIEW

Simulación de inversor puente H con NI Multisim y la simulación utilizando NI LabVIEW

Hola,La mayoría de nosotros está familiarizada con la realización de simulación de circuitos de electrónica de potencia utilizando Matlab, PSpice, PSim etc., en este artículo veremos cómo realizar la misma simulación de electrónica de potencia con NI
1500 Watts de prototipado sinusoidal pura inversor dirigido por generador de la C.C.

1500 Watts de prototipado sinusoidal pura inversor dirigido por generador de la C.C.

Al finalizar, su voluntad poder ejecutar cargas inductivas y resistivas y mantuvo el costo de funcionamiento es depende del ciclo de vida de la batería y el motor dc. Voluntad sigue el lectura corta a menos que considere necesario.Este instructivo co