

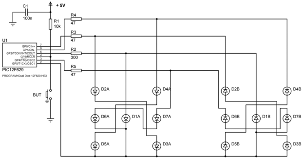
Energía con 4.5... 5.0V. puede utilizar las baterías de 3x1.5V, 4 x 1.2V NiMH baterías o vender cargador de teléfono con salida de 5V. Funciona también con 3.7V batería de ión de litio pero el brillo es bajo.
D1A... D7A y D1B... D7B son LED rojo o amarillo. Azul y blanco no funcionan a esta tensión.