Paso 6: Trabajo Arduino



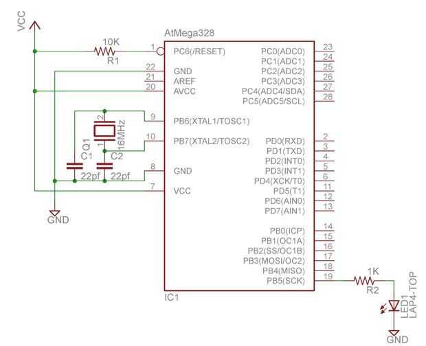
Vale. Ahora estamos listos para hacer algo. Así que añadimos un LED y una resistencia al pin AtMega328 19 a tierra.
Vamos a seguir el circuito completo en este esquema. VCC va al AtMega pin 7. AtMega pin 19 se conecta a R2 que se conecta al LED 1 que conecta a la tierra y a VCC. ¿Un completo circuito de derecho?
No del todo. ¿Cómo la señal llega desde el pin 7 a pin 19?
Bueno, tenemos que decir el AtMega al conectar el pin 7 a pin 19. Entonces, ¿cómo lo hacemos?
Es decir donde el sketch de Arduino, blink.pde entra en juego. Es una parte integral del circuito completo.
Ahora no voy a entrar en bocetos, pero...
Punta: Si has mirado en blink.pde, se refiere al ser de LED en el pin 13. ¿Cómo puede ser eso? Está conectado al pin 19. Bueno, hay un gotcha que creo que Arduinoites de números de pin se refiere al AtMega, tienen su propio sistema de numeración y ya hemos visto. Es el mapa de pines de Arduino.
Ahora se denominan los pines digitales 0 13 0 13.
Las entradas analógicas de 0 a 5 se denominan A0 a A5.
En realidad, la mayoría Arduino PCB, como la ONU, el Duemilanove, el BRD, el Freeduino. tendrá contactos con la D13 D0 y A0-A5. Sin embargo, si usted está construyendo un Arduino en un protoboard o protoboard o tu propio PCB, entonces tienes que ser consciente de ello.
Punta: Un hecho poco conocido es que los chips de montaje superficial AtMega328 pasadores extra análogos. Me dijeron que el software de Arduino compatible con éstos como A6 y A7. Nunca he verificado esto. El Arduino UNO SMD ni siquiera tiene conexiones con estos pines. Sin embargo, tengo un Seeeduino V3 con SMD y realmente tiene dos pines adicionales etiquetados ADC6 y ADC7 en su conector de escudo. Vea la foto. No interfieren con ningún escudos. Así que si alguna vez necesita más de seis análogos están disponibles...
Resumen: Bien con este Instructable, teóricamente debe ser capaz de solucionar problemas básico Arduino. Ahora si se conecta cualquier otro hardware a tu Arduino, no puedo ser de mucha ayuda pero si se rompe hasta circuitos mas simples, sería mucho más fácil de averiguar.