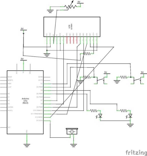
Paso 7: Conecte el zumbador





Una parte necesaria, éste emite un pitido cada 500ms cuando se termina el tiempo para darle una señal de audio. Para que obtener llegar a usted, sólo se debe utilizar un zumbador grande más que el micro.
Conecte el terminal positivo del zumbador al pin 13 de Arduino Digital y el terminal negativo a Arduino Gnd. Por último, pégalo dentro de la caja. Hacer un agujero cerca del lugar has pegado para que el sonido puede llegar a fuera.