Paso 5: Conectar los pulsadores para Arduino





Dos táctil botón agregado aquí sólo para ajustar el temporizador al principio cuando se enciende el dispositivo. En un intento de añadir botones como pocos como sea posible, acabé con dos que sería más fácil de controlar. También habría sido posible con sólo uno de ellos, pero que sería un poco complicado. Al establecer las horas y minutos, el número de horas o minutos es de 0. Cuando pulse uno, la cuenta aumenta por un tiempo en presionar el botón 2, se ahorra la cuenta y avanza.
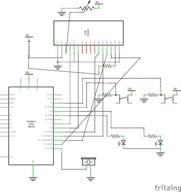
Conectar los botones a arduino según la siguiente. Se necesita un resistor de 10K para cada uno de los botones.
Botón 1:
- Pin 1 a Arduino Digital 2
- Pin 1 a través del resistor de 10K a Arduino Gnd
- Pin 2 a 5v de Arduino
Botón 2:
- Pin 1 a Arduino Digital 3
- Pin 1 a través del resistor de 10K a Arduino Gnd
- Pin 2 a 5v de Arduino
Al final, pegar los botones en la parte superior de la caja en una posición adecuada.