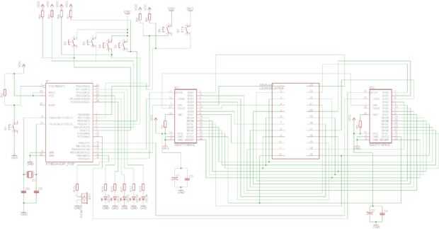
Paso 2: Diseño de circuitos



El circuito está diseñado con Eagle Layout Editor y se adjunta archivo PDF. Interruptor táctil cuatro S2-S5 se utiliza para control para arriba, abajo, izquierda y derecha del control. Interruptor S6 y S7 se utiliza para la opción menú y juego de selector. S1 se utiliza como interruptor de reset del microcontrolador. Resistencias R4 - R9 se utiliza como Levante puede ser cualquier valor de resistencia 10K - 100K. Cinco LED LED1-LED5 se utiliza para indicar el nivel de un juego y el valor de serie resistencias conectadas a los LEDs debe ser 220 Ohmios - 330 ohm. Como que utiliza pantalla de matriz de punto bicolor para usé dos MAX7219CNG controlador IC. Puede utilizar la matriz RGB y ese tiempo tres driver IC será necesario. Dos resistencias R1 y R2 está conectado a las ICs para controlar el brillo de la pantalla de la matriz.