Paso 4: Hardware

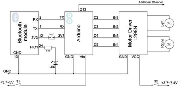
El hardware del proyecto es casi idéntica coche de RC de Arduino. Pero agrega una cámara, y requiere una fuente de 5V. Así que añadió convertidor de voltaje descender en un chip LM2596.
Utilizado por: Módulo Bluetooth HC-06 (3-4$ en AliExpress), Arduino Nano v3 y Motor Driver L298N. Si la energía de alimentación de la placa Arduino de 4V y arriba, entre el terminal RX (módulo HC-06) con la TX (tablero de Arduino) es necesario pone un divisor de tensión, porque HC-06 niveles de lógica es 3.3V. Mejor aún, utilizar chips especializados, como el MAX232.
Sketch de Arduino tiene sigue siendo la misma y publicado en GitHub'e (enlace más abajo).