Paso 3: electrónica



Encontrarás un montón de ejemplo cómo a
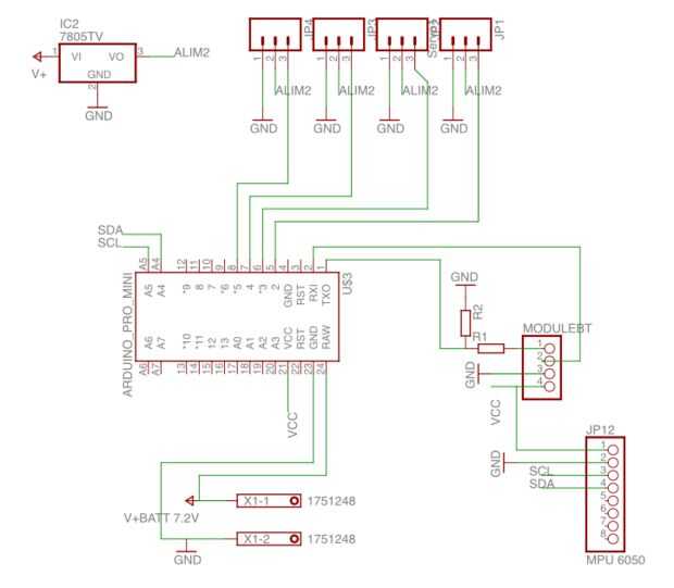
cable del MPU6050 y el HC06 en un arduino en la web.
Ser es este instructable carrefull al poder:
La potencia es dada por una batería de 9V.
Este 9V va al pin raw del arduino mini que ofrece VCC 5V para el módulo de BT HC06 y el MPU6050.
El 9V pasa también un regulador de tensión L7805 para dar energía a los servos.
También podría conectar la salida del L7805 al pin VCC de arduino, pero cuando los servos piden energía cuando la batería está cerrada se vacía la placa arduino y el módulo de BT restablecerá... Cometí el error...