Paso 1: teoría


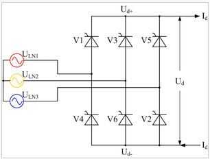
Las fuentes de tres tensión reciben puente rectificador de seis pulsos. La CA se convierte en señal de DC por el rectificador. En el lado de salida del RL se conecta carga. Los armónicos producidos por el rectificador debe ser evaluada.
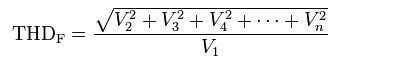
DISTORSIÓN ARMÓNICA TOTAL (THD):
La distorsión armónica total o THD, de una señal es una medida de la distorsión armónica presente y se define como el cociente de la suma de las potencias de todos los componentes armónicos a la potencia de la frecuencia fundamental. THD es una medida del grado de esa distorsión.
El THD se define como el valor de la media cuadrática (RMS) de los total armónicos de la señal, divida por el valor RMS de la señal fundamental.
La fórmula para calcuate THD se expone a continuación.
donde Vi es el voltaje RMS de ith armónica y = 1 es la frecuencia fundamental