Paso 4: Insertar el circuito
¿


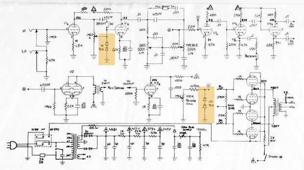
-No introducir en el circuito de entrada (antes del preamplificador). Las señales de guitarra son muy débiles, y aun si el circuito funciona parcialmente con una camioneta realmente caliente, probablemente no funcionará en absoluto con otras guitarras.
-No insertar en la parte de conductor del amplificador de potencia (primario del transformador de salida.)
-No introducir en el secundario del transformador de salida / altavoz loop.
Los dos últimos ejemplos se atenúan grandemente (disminuir) el volumen de la amp, probablemente "freír" los diodos y posiblemente dañar los tubos de alimentación o el transformador de salida.