Paso 3: El diseño



Después de mucho intercambio de entrada y salida, elegir una combinación de un germanio diodo, un diodo de silicio y un LED.
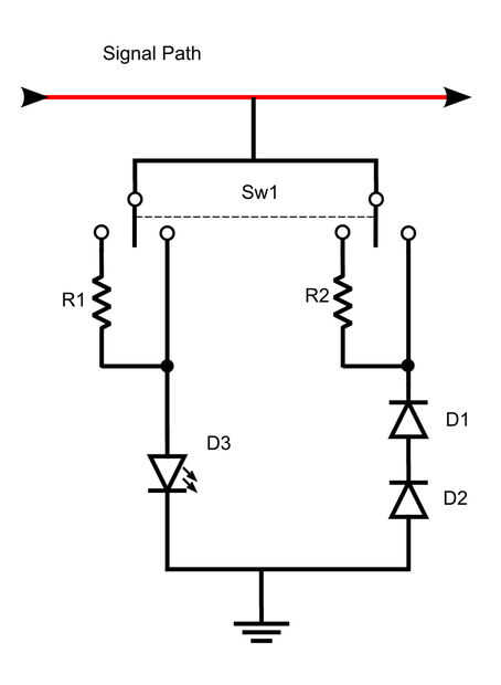
--un 1N4148 (D1) y un 1N60 (D2) para una tensión combinada de ~1.05V
-un LED rojo (D3) con una tensión de ~1.7V
Los maridajes de diodos se conectan al SW1, un interruptor de doble polo on-off-on. El centro es "off" o ningún diodo recorte en todo. Los otros dos valores son:
-los diodos conectado directamente a la ruta de señal.
-los diodos conexión a través de un par de resistencias (R1: 47 K, R2: 100 K)
La resistencia suaviza el recorte, que modela el efecto. Cuando las resistencias se conectan, más de la señal de tubo natural se filtra a través. Hay muchas maneras de lograr esto, y esto es sólo un ejemplo sencillo (ver paso de las "otras opciones" para obtener más información).
Para ayudarle a elegir los componentes, aquí están las tensiones hacia adelantadas para algunos diodos comunes:
~ 790mV--1N4148 (silicio)
~ 265mV--1N60 (germanio)
~ 1700mV--LED (rojo)
~ 205mV--Schottky 1N5819
~ 740mV--1n4001 (silicio)
Diodos de germanio tienden a tener transiciones más suaves que dan un sonido más "tubey" no lineal. Pero diodos de silicio pueden dar una mayor distorsión metálica "onda cuadrada", si eso es lo tuyo.