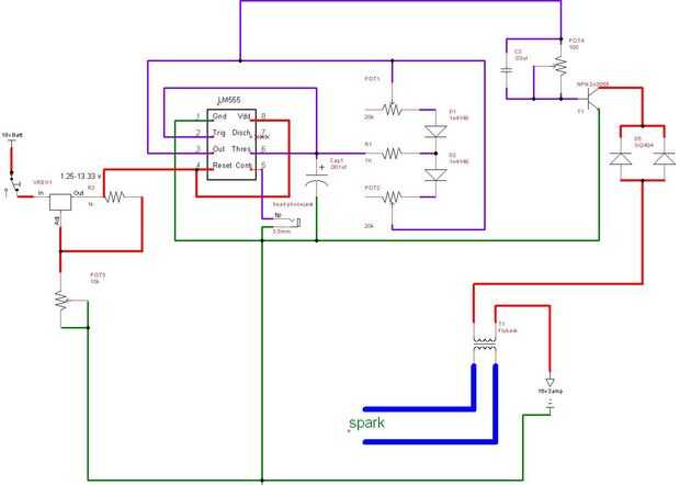
Altavoz de plasma flyback con 555 (2 / 5 paso)

Paso 2: esquemático

en cuenta el suelo de pizarra y el suelo de la fuente de poder se enganchan juntos

Artículos Relacionados

Proyectos de fin de semana: Mi altavoz de Plasma (arco de canto) proyecto en curso.

Proyectos de fin de semana: Mi altavoz de Plasma (arco de canto) proyecto en curso.

Este instructable le mostrará cómo hacer un altavoz de plasma simple. Un orador de plasma (o arco de canto) es un dispositivo que genera una descarga eléctrica de alto voltaje cuando modulan para emitir música audible. Todo el sonido proviene del arc
Altavoz de plasma DIY

Altavoz de plasma DIY

Este instructable le mostrará cómo crear un temporizador 555 por altavoces de plasma que pueden reproducir música desde cualquier dispositivo con un conector para auriculares. Va a ir a través de los materiales del circuito diagrama y cómo hacerlo. L
Muy simple PWM con 555... modular cada cosa

Muy simple PWM con 555... modular cada cosa

Nota: alguno me puede pedir ayuda. No me comentáis en mi ortografía y gramática... Porque mi lengua materna no es inglés. OK VAMOSy también por favor califique mi instructable bienHola cada uno. Hoy te voy a mostrar cómo hacer un PWM (modulación de a
(Este instructable es muerto). Proyecto de altavoz de Plasma de arco de canto - revisión 2.0!

(Este instructable es muerto). Proyecto de altavoz de Plasma de arco de canto - revisión 2.0!

ACTUALIZACIÓN: Este instructable voluntad no siempre se haya terminado, he vuelto al circuito 555 con algunos cambios importantes, ya que incorpora este ' poder en aquél. Haga clic aquí para ver el final!Todo lo siguiente es información obsoleta y ha
Edificio de noche con Jameco: aventura con 555 y el monstruo de ruido

Edificio de noche con Jameco: aventura con 555 y el monstruo de ruido

lista de piezas:BreadboardsTemporizador 555varias resistencias, condensadores, potenciómetros y casi todo con las 2 piernas(Kit deJameco )Saltar los alambresAltavozAmplificadorDescripción:El plan comenzó simple. Puesto que nadie tiene mucho conocimie
Sintetizador con 555

Sintetizador con 555

en este instructable, le mostraré cómo hacer un sintetizador con componentes comunes. Utiliza condensadores, aunque fácilmente podría modificar el circuito para utilizar en lugar de resistencias. Hay muchas cosas que usted puede hacer con el sintetiz
Altavoz dodecaedro acrílico con sonido reactiva LED

Altavoz dodecaedro acrílico con sonido reactiva LED

Hola, mi nombre es Charlie Schlager. Tengo 15 años, que asisten a la escuela de Fessenden en Massachusetts. Esta es una muy divertida compilación de cualquier DIYer buscando un proyecto fresco. Construí este altavoz principalmente en el laboratorio d
41 interruptor intermitente el LED del circuito con 555 IC

41 interruptor intermitente el LED del circuito con 555 IC

hice esto como un proyecto rápido usar mucho los LEDs tengo recientemente. Básicamente se conecta vía un 555 8 pin IC y permite ajustar el tiempo entre el tapajuntas cambiando los valores de resistencia o condensador. Proporciona un fresco buscando e
Luz simple búsqueda robot con 555 IC de tiempo

Luz simple búsqueda robot con 555 IC de tiempo

en este Instructable le mostraré cómo hacer un robot que será capaz de avanzar hacia un cercano a fuente de luz. Este proyecto utiliza un circuito muy simple, así que casi que cualquiera puede hacer. Aún tengo varias mejoras para hacer de este robot,
Funcionamiento LED con 555, 74163, 74138 74240 y

Funcionamiento LED con 555, 74163, 74138 74240 y

que quería hacer un rápido proyecto con un temporizador 555 y ver si podía utilizar como un reloj para algunos LED corriente con la 74 serie ICs. Esto por supuesto sería un proyecto ideal arduino, pero también es bueno saber cómo hacerlo sin necesida
Parpadeo luz de bicicleta con 555 w / caso

Parpadeo luz de bicicleta con 555 w / caso

este es un proyecto desarrollado durante el "Taller de Inventos" (AKA agosto construcción de noche), patrocinado por Instructables y Jameco, que algunos de los componentes de este instructable.Es una luz LED que se concibió originalmente como un
Altavoz ipod portátil con LEDS!!!

Altavoz ipod portátil con LEDS!!!

la manera rápida y fácil para hacer un altavoz portátil ipodPaso 1: partes se necesita una lata Altoids, un conjunto de teléfono principal, leds, bateadores AAA, cable, interruptor y un altavoz pequeño.Herramientas: soldador E-cinta y pistola de pega
Oculta los cables para plasma TV con tubo de PVC

Oculta los cables para plasma TV con tubo de PVC

fácil DIY para ocultar el feo hdmi y otros cables para TV/centro de entretenimiento.Paso 1: Montaje Pvc Después de enmarcar TV pared corta tubo de pvc a la longitud deseada. usted necesitará 2 codos de 90 grados calman los cables se deslice agradable
Una encantadora con 555... que tu amiga sienta especial

Una encantadora con 555... que tu amiga sienta especial

http://www.youtube.com/watch?v=gOS4EvS7yXIyhttp://www.youtube.com/watch?v=LWdkqwCUqMY