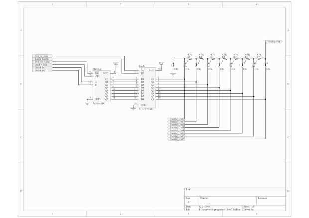
Paso 1: Los esquemas

Entradas:
tri_state:
'1' pondrá las salidas digitales a tri-estado (mientras en tri-state digital "salidas" se puede utilizar como entrada paralela a la DAC)
Uso normal '0'
Latch_Enable:
'0' mantiene el actual estado de registro (mantiene la corriente de salida analógica)
'1' copia las entradas desde el registro de desplazamiento y la almacena
Not_Shift_clear:
'0' borra el registro de desplazamiento
Uso normal '1'
Shift_Clock:'
__/ clocks the result of the expression (Serial_In and Serial_In2) into the shift register
Salidas:
Analog_Out: después de todo es un convertidor analógico digital...
Parallel_Out 0-7: pero también es un multiplexor de salida = D













