7 segmentos Display Clock (1 / 3 paso)

Paso 1: Conexión del reloj

Para que el reloj funcione correctamente necesitará cada cable en el lugar correcto. Ver desgaste de los cables del enchufe en la búsqueda de: SMA20564 en el equipo. Clic y usted encontrará un diagrama. Vea también arriba. Los pasadores metálicos de display de 7 segmentos están etiquetados a través g. Resistentes a la guerra no son necesarios para todo. También asegúrese de que agregar 2 botones de hora y minutos. El código te dirá donde ponerlos.

Artículos Relacionados

Arduino 7 segmentos Display Clock (+ activación de sonido)

Arduino 7 segmentos Display Clock (+ activación de sonido)

En este instructable le mostraré cómo hacer tu propio Arduino basado en 7 segmentos display (4 dígitos) reloj con función de activación de sonido!El circuito utiliza el microcontrolador ATmega328p (igual que la placa de Arduino uno) y el DS1302 reloj
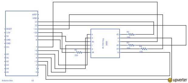
Arduino Nano y Visuino: 7 segmentos Display Clock con el MAX7219 y DS1307 en tiempo Real Clock(RTC)

Arduino Nano y Visuino: 7 segmentos Display Clock con el MAX7219 y DS1307 en tiempo Real Clock(RTC)

Reloj de tiempo Real DS1307 son módulos de RTC I2C de bajo costo ampliamente disponibles. Vienen con un reloj y una pequeña batería y cuando esté conectado a Arduino, puede realizar un seguimiento de tiempo real incluso cuando no se alimenta la placa
BRICOLAJE 7 segmentos Display

BRICOLAJE 7 segmentos Display

La razón de este Instructable es porque me resultó muy difícil encontrar un tutorial sobre cómo hacer una exhibición de segmento 7.Lo sé, todo el mundo utiliza eso lujo muestra integrada, por Kingbright o algún otro fabricante de electrónica de buena
Cuenta abajo en 7 segmentos Display W/RPi 3

Cuenta abajo en 7 segmentos Display W/RPi 3

En este instructable mostrará y enseñándote cómo hacer siete segmentos display que muestra una cuenta regresiva de 9 a cero (el punto es opcional) con un raspberry pi 3.Elementos necesarios:-1 x frambuesa pi 31 x placa de prototipos sin soldadura10 x
¿Cómo diseñar siete segmentos display driver chip en VLSI concepto por primera vez!?

¿Cómo diseñar siete segmentos display driver chip en VLSI concepto por primera vez!?

Hoy, voy a mostrarte cómo diseñar controlador de siete segmentos pantalla electrónica de un componente que es similar con chip 7447. Este proyecto fue que hice cuando en mi universidad es el año pasado, gracias a mi profesor, aprendí a diseño de un c
7 segmentos Display

7 segmentos Display

Este es un breve tutorial sobre el uso de displays de segmentos LED de 7 y 8..Para este tutorial se requiere:Un ArduinoUn tablero de panCables de puenteResistencias de Ohm 230Una pantalla de 7 u 8 segmentos LED.Nota: Todos los componentes anteriores
7 segmentos Display contador de ánodo común Arduino

7 segmentos Display contador de ánodo común Arduino

en este instructable, voy a mostrarte cómo controlar un display de 7 segmentos (ánodo común) que se cuenta de 0 a 9.Paso 1: 1. Los Cables deBien, la ramificación puede ser muy difícil cuando usted está tratando con una exhibición de segmento 7 de áno
Arduino binario 7 segmentos Display reloj y calendario

Arduino binario 7 segmentos Display reloj y calendario

A diferencia de la mayoría de los otros relojes binarios este reloj muestra la fecha y binario en 3 filas de 8 siete segmento se muestra como uno y ceros en lugar de apenas filas de LEDs.Todos los detalles sobre este mi web site aquí.Un microprocesad
Con 4 dígitos, 7 segmentos display con arduino

Con 4 dígitos, 7 segmentos display con arduino

En este tutorial mostrará usted cómo utilizar un display de 7 segmentos con 4 dígitos utilizando arduino. Algunas cosas básicas que me gustaría señalar es que esta casi todo de los pines digitales en el arduino uno, leonardo, los tableros con 13 pine
Siete segmentos Display termómetro - Arduino basado

Siete segmentos Display termómetro - Arduino basado

Hoy voy a mostrar cómo hacer su propio termómetro de 7 segmentos - 2 dígitos - con Arduino uno y sensor de temperatura DS18B20.Prefiero construir mi propio circuito de arduino basado usando el poseedor de uno de ATmega328p, pero esto es opcional para
Arduino - Airsoft de la bomba de tiempo usando el KYX 5461AS 4 dígitos 7 segmentos Display

Arduino - Airsoft de la bomba de tiempo usando el KYX 5461AS 4 dígitos 7 segmentos Display

¡ Hola mundo! Hoy hice una bomba de tiempo simple con un segmento de 4 dígitos 7 pantalla (producto número: KYX 5461AS). Es muy sencillo y otra vez se puede utilizar para varias cosas por supuesto! Se activan con un botón, se restablecerá automáticam
7 segmentos Display en Arduino

7 segmentos Display en Arduino

Este instructable muestra cómo mostrar 0-9 dígitos de 7 segmentos Mostrar utilizando Arduino.Lo que usted necesita:Arduino Uno 37 exhibición de segmento siete2 x 220 Ohm resistenciasCables de puentePaso 1: Hacer conexiones Conecte las clavijas que se
Interfaz MSP430 Launchpad con display de 7 segmentos

Interfaz MSP430 Launchpad con display de 7 segmentos

Hola amigos,Bienvenido a mi MSP430 Launchpad entretela tutorial, en este instructable yo se ser entretela un MSP430 Launchpad con un display 7 segmentos de cátodo común.Tenga en cuenta que yo estoy reformateando mi artículo original publicado en www.
DHT11 + Display de 7 segmentos

DHT11 + Display de 7 segmentos

Este instructable le gusta otros usando DHT11 y módulo de exhibición de segmento 7 para mostrar la temperatura y la humedad, pero no se mostrará la construcción, algo será importante en la técnica para mostrar los datos en el display de 7 segmentos.