(7) cero a 132 voltios AC o DC! (4 / 4 paso)

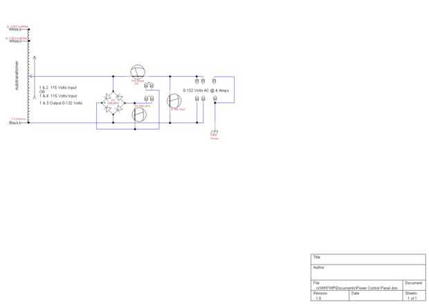
Paso 4: esquema

Esquema se realiza en TinyCad.com es un programa gratuito de CAD.

Todo lo que usé en este pequeño proyecto, encontré.

Artículos Relacionados

Nivel de desplazamiento entre TTL y CMOS

Nivel de desplazamiento entre TTL y CMOS

hay dos líneas, denominadas familias de lógica, analógico IC y mientras que generalmente pueden ser interoperables "off the shelf", trabajan mejor con ICs de la misma familia y a veces IC de las familias de lógica mixta puede requerir una traduc
Star Trek timbre Hack

Star Trek timbre Hack

Siempre he sido un fan de la estrella Treks y como tal estaba muy emocionado cuando mi compañera trajo a casa un original serie estilo Star Trek comm panel. Nunca había visto uno de estos pero una rápida búsqueda nos llevó a la Web de Thinkgeek donde
Atmel Inicio 3: Binky uno – puerto, PIN, DDR y LED

Atmel Inicio 3: Binky uno – puerto, PIN, DDR y LED

M. A. Parker c2015Blinky, el LED que parpadea, se muestra cómo utilizar el lenguaje C y C++ en el estudio de Atmel (AS) para controlar el Atmel MCU puertos de entrada y salida (es decir, IO) y revela la vida 'secreta' de los registros del puerto de A
Simple Animatronics con Servos y Arduino

Simple Animatronics con Servos y Arduino

Servos son sorprendentemente fácil de usar. Incluso más que simple motores DC y motores PAP cuando se tiene un microcontrolador. En este instructable, usaremos un ' duino conducir cinco servos que controlarán una muñeca extremidades y cuello.Compré l
Servidor de web de semáforo de Arduino

Servidor de web de semáforo de Arduino

en el lugar de trabajo, utilizamos xymon para monitorear nuestros servidores. Todos los servicios monitoreados son importantes, pero queríamos un indicador separado para simplemente Mostrar la salud general de los sistemas más críticos. Además, llega
Solar Powered LED/ultracondensadores Arduino regulado luz

Solar Powered LED/ultracondensadores Arduino regulado luz

este instructable sobre todo enseña a controlar la tensión de carga de un panel solar a un dispositivo de almacenamiento de energía (condensadores en este caso).Enseñó a construir previamente la luzPaso 1: Este panel solar puede producir hasta 18 vol
Cuenta regresiva loco

Cuenta regresiva loco

esta es mi interpretación de la bomba de tiempo estereotipada que se ve en tantas películas de acción cursi. El héroe tiene que averiguar qué línea de corte para detener el temporizador y evitar que la bomba explote.En este caso, tenemos 3 cables. Un
Cómo construir un vehículo eléctrico de 72 voltios – coche / Jeep

Cómo construir un vehículo eléctrico de 72 voltios – coche / Jeep

Introducción1. el primer vídeo muestra los componentes comunes en un EV.2. el segundo vídeo es el Jeep como lo es ahora con Direct Drive.3. el tercer video es el original Jeep con la impulsión de cadena, cuenta lo fuerte es.Decidí construir un coche
Máquina de juego Retro de frambuesa Pi cero R2D2!

Máquina de juego Retro de frambuesa Pi cero R2D2!

El cuerpo del proyecto es el usb R2D2 vacío, escogido encima de mi local sainsburys pero todavía está disponible de eBay para alrededor de £12El cerebro del proyecto es la frambuesa pi cero, £5 de fuentes oficiales como pihut o pimeroni y de eBay par
Cómo construir una moto eléctrica de 24 voltios

Cómo construir una moto eléctrica de 24 voltios

Yo he visto unas estructuras del vehículo eléctrico (EV) para motocicletas en Instructables y todos ellos fueron muy útiles. Espero agregar a aquellos que han salido adelante y construido, compartido y me motivó a construir uno. Se trata de cómo fui
Cómo construir un Robot humanoide de frambuesa Pi cero con Java

Cómo construir un Robot humanoide de frambuesa Pi cero con Java

Hola: voy a mostrarte cómo hacer un robot humanoide con pi ceroPaso 1: partesla lista total se convierte como después para alimentar los sensores y PI:* Frambuesa PI cero + tarjeta micro-SD de 16GB* Micro-usb hub + Wifi Dongle* AdaFruit Powerboost 10
RPi-cero IoT evento indicador color lámpara

RPi-cero IoT evento indicador color lámpara

No micro-controlador adicional y módulo complementario de sombrero No necesaria.El RPi-cero lo hace todo!Uso de la muestra: servicio Web estado indicador (por ejemplo DowJonesIndex seguimiento), indicador de estado de evento político o deportivo, luz
La pequeña batería de limón y otros diseños de cero costo de electricidad y luz led sin pilas

La pequeña batería de limón y otros diseños de cero costo de electricidad y luz led sin pilas

Hola, seguramente ya sabes de bio-baterías o pilas de limón.Se utilizan normalmente para fines educativos y utilizan reacciones electroquímicas que generan tensiones bajas, demostrados generalmente en la forma de un led o bombilla que brilla intensam
Auriculares de sincronizado de LED madera desde cero

Auriculares de sincronizado de LED madera desde cero

en los últimos meses me han preguntado por mis colegas compañeros y amigos, "Marca, ¿por qué está usted haciendo auriculares?" Mi respuesta ha sido siempre, me encanta la musica, quiero buena calidad en auriculares, pero no quiero caer 300 + aur