Paso 3: esquema


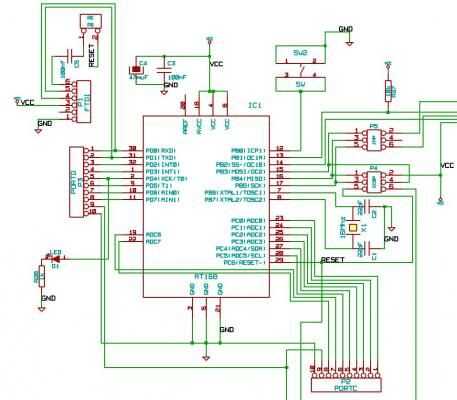
Imagen (2) muestra el resto del esquema con el MCU, conectores, cuarzo...
El archivo PDF adjunto contiene el todo, mejor para la impresión.
Imagen (2) muestra el resto del esquema con el MCU, conectores, cuarzo...
El archivo PDF adjunto contiene el todo, mejor para la impresión.