


Introducción de la RainBoard: un simple fundido RGB LED arco iris utilizando un Arduino Uno y unos pocos componentes sencillos. Créalo o no, controlamos 45 canales de LEDs RGB en 32 niveles de brillo con sólo 3 pines digitales del Arduino! ¿Cómo es posible que pregunte? Mediante el uso de dos conceptos de magia: cambio de registros y modulación por ancho de pulso. Algunas de las imágenes de esquemas pueden parecer desalentador, pero si todas las instrucciones se sigan cuidadosamente, debe ser fácil tener este juego ya en funcionamiento en menos de 30 minutos (ideal para aquellos que olvidaron para que especial alguien una Navidad presentes este año!).
Esta es mi entrada en el hacer se concurso de resplandor. Y también mi Instructable primer, espero que les guste!
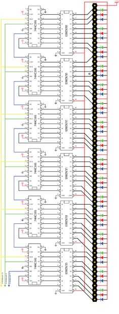
Aquí está el esquema y el diagrama de lo que vamos a hacer.
Aquí está un video: