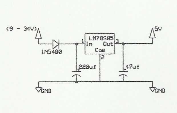
5V - 2A regulador (2 / 3 paso)

Paso 2: Diagrama del circuito

Completan el circuito según el diagrama del circuito y soldar según el diagrama del circuito. Use un disipador de calor para la IC un disipador de calor grande que el disipador de calor que se muestra en la imagen, puesto que el calor era demasiado alto al utilizar este disipador térmico de

Artículos Relacionados

Regulador de velocidad ventilador Bluetooth

Regulador de velocidad ventilador Bluetooth

¿Siempre tienes todo bonito y cómodo en su asiento, envuelta en mantas listos para ver Netflix, sólo para darse cuenta te fuiste el ventilador en? ¿Encienda el ventilador de una cálida noche sólo para ser despertado por congelación viento circulando
Regulador de lanzamiento de cohete modelo agregado a poder herramienta batería cargador

Regulador de lanzamiento de cohete modelo agregado a poder herramienta batería cargador

Resumen: Este proyecto utiliza un puñado de componentes electrónicos y circuitos relativamente simples para modificar un poder herramienta batería cargador para funcionar también como un modelo cohete lanzamiento controller. lo importante, el cargado
Actobotics regulador de canal de 48 pulgadas con retroceso automático y regulador de velocidad

Actobotics regulador de canal de 48 pulgadas con retroceso automático y regulador de velocidad

En 2014, construí el deslizador del canal Actobotics de Servocity.com para el uso con la fotografía de lapso de tiempo. La construcción original se puede encontrar mediante los siguientes enlaces:Estructura deslizanteUsando el control deslizanteAdici
Reloj regulador de reproducción

Reloj regulador de reproducción

Este instructableEste instructable muestra cómo hacer un reloj regulador de reproducción usando una vieja caja de reloj y tres movimientos de cuarzo.He utilizado a un viejo Inglés 12"(300mm) caja del reloj Dial de Ebay pero ningún caso se puede utili
No coser Nes regulador cartera

No coser Nes regulador cartera

otra reinvención de este clásico juegoPaso 1: se necesita un sacrificio controlador de Nesdestornillador phillips pequeñopinzas de alambre snipPegamento UHURelámpagoPaso 2: mata a un controlador de Desenrosque el regulador de respaldo (un par de torn
Dulce manchado un regulador de Paintball.

Dulce manchado un regulador de Paintball.

Antes de empezar: esto es sólo mi interpretación e interpretación de cómo dulce su regulador. Otros pueden tener diferentes metodologías.Comprensión manchado dulce:Martillo cónico marcadores usan alguna manera o ram para golpear el vástago de una vál
Mediante el regulador del Motor de la avispa (ESC)

Mediante el regulador del Motor de la avispa (ESC)

En este Instructable vamos a aprender a controlar un controlador de motor de avispa con un Arduino.Regulador del motor de la avispa es un electrónico velocidad regulador (ESC), teniendo una entrada de señal de RC de un Arduino y el impulso a un nivel
Regulador de tiro de chimenea - cómo instalar chimenea chimenea amortiguador paso a paso

Regulador de tiro de chimenea - cómo instalar chimenea chimenea amortiguador paso a paso

Instalar un apagador de la chimenea superior de bloqueo puede ser una gran manera de evitar las fugas de energía de su hogar por una chimenea. Chimeneas pueden ser un factor importante en la pérdida de calor en invierno y aire acondicionado en el ver
¿Campamento de propano estufa regulador reparación

¿Campamento de propano estufa regulador reparación

propano estufa de campamento dejó de funcionar? ¿Bien última vez, simplemente apaga y ahora absolutamente ningún flujo de gas a los quemadores? Usted está seguro de que su botella no está vacía... La cuestión a encarar es una posible causa que ocurre
Un marco para la fabricación de reguladores modulares asequible y con estilo (USB a MIDI, HID, o serie)

Un marco para la fabricación de reguladores modulares asequible y con estilo (USB a MIDI, HID, o serie)

***HE CREADO UN NUEVO INSTRUCTIVO PARA CONTROLADORES DE DIY:**********************************************************************************************************************************************************************************************
Regulador de 5V

Regulador de 5V

circuito de regulador de voltios de 5v que puede hacerse de sólo tres componentes, su forma simple, barata y fácil para obtener una corriente de hasta 1A y una tensión de más de 5v puede ser regulado sólo por este circuito, este circuito puede ser ut
Monta EZ HobbyCNC paso a paso regulador Junta Kit

Monta EZ HobbyCNC paso a paso regulador Junta Kit

Construir tu propio tablero de regulador motor de alta corriente 3 ejes paso a paso para tu robot DIY, DIY molino o conversión del molino, DIY router o cualquier cosa que necesita para moverse. Este es un kit de construcción sí mismo de HobbyCNC.com.
Regulador de medida

Regulador de medida

Wath ¿te necesita?1. un controlador (Ps, xbox u otra cosa).2. pintura en Spray o pintura normal.3. lija.4. tal vez si quieres una plantilla para la pintura.5. un destornillador.6. un recipiente para los tornillos (que no perderlos).7. y si quieres al
Regulador del motor de Arduino Lego EV3 ahorrar $45

Regulador del motor de Arduino Lego EV3 ahorrar $45

Haciendo un regulador del motor de diy lego ev3Paso 1: introducción Así que tengo un juego llamado el lego mindstorms EV3 es un increíble robótica $349 kit que realmente es simple de construir como lego pero con características realmente impresionant
Sous Vide horno regulador

Sous Vide horno regulador

En lugar de recortar aparte una perfectamente buena olla esta compilación le mostrará cómo crear un controlador de dispositivo a que puede conectar. Este enfoque modular significa que no necesitará adquirir un segundo dispositivo. Si tienes una olla