48 x 8 desplazamiento matriz LED DISPLAY con ARDUINO controlador (3 / 5 paso)

Paso 3: Conexión con Arduino

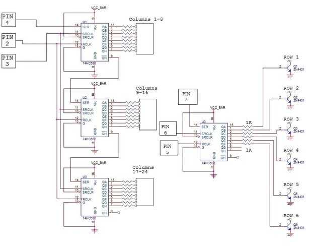
Pin del Arduino cambio registro pins
5                                    -             12
6                                    -              11
7                                    -              14

los anteriores son para los conductores de la columna

9                                   -              12
10                                -               11
8                                  -                 14

los anteriores son los controladores de fila

Artículos Relacionados

Temperatura ambiente en pantalla de matriz de puntos con Arduino y LM35

Temperatura ambiente en pantalla de matriz de puntos con Arduino y LM35

¡ Hola allí!Este es mi primer instructivo, y te voy a mostrar cómo puede interactuar un sensor de temperatura y una pantalla de matriz de puntos con arduino en tiempo real.He adjuntado el sketch de arduino, que es un poco grande a simple vista, pero
Un reloj de 15 LED RGB con Arduino base

Un reloj de 15 LED RGB con Arduino base

El reloj RGB utiliza el modelo de composición de color RGB usado en todas las pantallas color. Este modelo utiliza tres colores 'básicos', es decir, rojos, verdes y azules, para construir cualquier otro 'compuesto' color del espectro. Con reloj RGB,
8 x 8 x 8 LED cubo con Arduino Mega (+ sonido + PS controlador + juego)

8 x 8 x 8 LED cubo con Arduino Mega (+ sonido + PS controlador + juego)

este es un instructivo que se basa en el cubopor Chr, (por SuperTech-IT, (y por das-labor.org, (http://www.das-labor.org/wiki/Borg3d_Bauanleitung...)pero creo que su mejor y más fácil.Comencé este proyecto sin ninguna habilidad de toprogramming de so
Android controla LEDs RGB con Arduino

Android controla LEDs RGB con Arduino

Hai a todos en el post iam va a mostrar cómo controlar el LED RGB utilizando android con arduino y el módulo Bluetooth HC-05.He buscado en la web hay muchas técnicas para controlar el LED RGB. Pero este es el método que es muy simple y fácil.En este
Control de un Led RGB con Arduino y procesamiento

Control de un Led RGB con Arduino y procesamiento

este instructable (mi primer no menos) se muestra cómo controlar un RGB led usando procesamiento y arduino.La característica fundamental que el color se selecciona haciendo clic en una imagen, el valor RGB del pixel que usted haga clic en es procesad
Control LED RGB con arduino y procesamiento.

Control LED RGB con arduino y procesamiento.

Hoy te diré cómo controlar un LED RGB con ayuda del lenguaje Arduino y procesamiento. Este es mi primer instructable, déjeme por favor saber si pudiera mejorar algo y si tienes cualquier tipo de preguntas les dejan en la caja de comentario, me encant
ENTRETELA de una matriz de puntos de 8 X 8 LED DISPLAY con un AT89C51 microcontrolador

ENTRETELA de una matriz de puntos de 8 X 8 LED DISPLAY con un AT89C51 microcontrolador

Interfaces en un 8 x 8 matriz de puntos puede ser divertido y es fácil de jugar, así que vamos a entrar directamente en ella!Paso 1: Lo que usted necesitará:AT89C51 MICRCONTROLLERDOT MATRIX 8 X 8UNA PLACA DE DESARROLLO OMÓDULO DE MATRIZ DE PUNTOPaso
LED matriz IR controlado con Arduino para San Valentín

LED matriz IR controlado con Arduino para San Valentín

Hice este corazón con leds cuando vi este instructable.La principal diferencia es que he hecho como una matriz "7 x 6" aunque hay algunos agujeros en la matriz.Paso 1: materialesTodo lo que necesitaba era:27 leds difusa rojo.2 placas de prototip
Cubo de LED Rubik con Arduino

Cubo de LED Rubik con Arduino

En este instructable te voy a mostrar cómo pueden construir cubos de su propia LED Rubik. Este proyecto fue realizado para un curso introductorio de electrónica en el Pomona College. Grupos recibieron aproximadamente dos meses para completar un proye
Con 4 dígitos, 7 segmentos display con arduino

Con 4 dígitos, 7 segmentos display con arduino

En este tutorial mostrará usted cómo utilizar un display de 7 segmentos con 4 dígitos utilizando arduino. Algunas cosas básicas que me gustaría señalar es que esta casi todo de los pines digitales en el arduino uno, leonardo, los tableros con 13 pine
Simple 3 x 3 x 3 LED cubo con Arduino

Simple 3 x 3 x 3 LED cubo con Arduino

Este es mi primer instructivo para votar en los comentarios por favor.Al ver un montón de tutoriales de cubo del LED, parecía eran demasiado complejas y como no dan suficientes detalles acerca de cómo construirlos. También la selección controlada uno
Larson scanner LED (kitt) con arduino

Larson scanner LED (kitt) con arduino

El analizador larson es bien conocido por Caballero jinete en los años 80. En este tutorial le dirá cómo crear une. Así que trato de crear mi versión del proyecto. Consta de una matriz de leds que se enciende mover de lado a lado. Sólo añadir un pote
5 x 5 x 5 cubo del LED funcionar con Arduino Uno

5 x 5 x 5 cubo del LED funcionar con Arduino Uno

Hola amigos, esta es mi opinión sobre un 5 x 5 x 5 cubo del LED, permite comenzar.Lo primero que debemos hacer es conseguir todos nuestros suministros.Vamos a necesitar...:125 LEDs (Asegúrese de que son rojo o amarillo o el arduino no será capaz de e
LED Star con Arduino y WS2811 Neopixels

LED Star con Arduino y WS2811 Neopixels

DescripciónEste pequeño proyecto hace un gran adorno para colgar en tu ventana en tiempo de Navidad. Es una estrella amplia de 20" con 50 leds de"neopixel"alrededor del perímetro. Cada led es individualmente direccionable y es controlado po