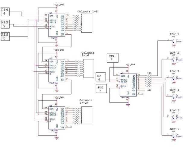
Paso 2: Conexión de los transistores y SHFIT registros.

registro único turno a la fila
y daisy cadena cambio registros con pin de reloj común a las columnas de impulsión
-Cada registro de desplazamiento puede conducir 8 columnas
-Basado en el número de columnas puede aumentarse el número de registros de cambio, no hay límite para las columnas.