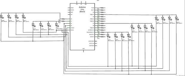
Paso 8: esquemático

Este esquema sólo muestra el cableado de los pines A0, A1, D3, D7, D11 y los cables de 4 cátodo A2, A3, A4, A5. Las restantes resistencias en blanco sólo tienes que seguir el mismo patrón que el LED que he mostrado. Si tuviera que definir el cubo entero no cabe en una sola página.