Paso 2: Diseño de circuito

Usé Fritzing 7.7 en Mac para diseño de mi circuito.
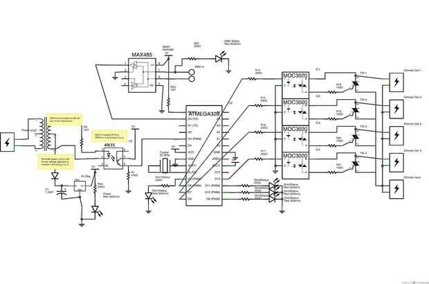
El MAX485 en la parte superior se utiliza para convertir la señal DMX en algo que el Arduino puede leer.
El 4N35 en la izquierda se utiliza para detectar la Cruz cero de la señal AC para que el Arduino pueda saber a qué hora para atenuar la salida de onda sinusoidal. Más información acerca de cómo el hardware y el software interactuan en la sección de software.
¿He conseguido la voluntad pregunta este proyecto trabajar en Europa con 230V y 50Hz? No vivo en Europa, ni viajo allí a menudo para poder probar este diseño. Debería funcionar, sólo tendrás que modificar la línea de tiempo de brillo de código para el retardo de diferente frecuencia.