

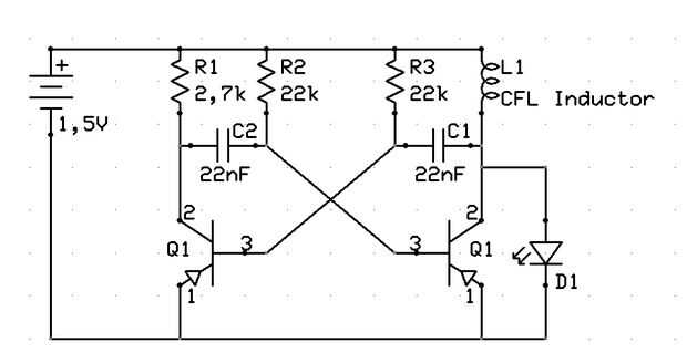
Este es un esquema que accidentalmente he trabajando. Yo estaba experimentando una idea para que consiga un PWM LED en un 1, 5V usando un multivibrador astable utiliza su campo magnético inductor y colapso para iluminar un LED en rápidos pulsos cortos pero tengo más negociar y el LED enciende con alta frecuencia en 10s de gama kHz - bastante parecido a un circuito Joule Thief. Usted puede conseguir piezas de CFL viejo para construir esto, la capacitancia del condensador no es crítica, aunque usted puede encontrar 22nF (223) y (473) condensadores de 47nF en cualquier balastro electrónico de CFL, incluso intenté dos 1, 2nF condensadores de alto voltaje usados para encender el tubo entre dos filamentos que trabajó bien en este circuito pero el LED dimmer poco , el inductor es de 1,3 a 3 mH gama, algunas vueltas sobre un toroide no trabaja en esto, pero el lastre y algún inductor de filtro de tipo de bobina de CFL bien, pero prueba el pinout y condición de los transistores antes de volver a ellos, como a veces el pinout en estos (13001, 13002, 13003, 6823D) es base-colector-emisor en lugar de emisor-colector-base y a veces los transistores mueren durante el bulbo EOL. Así que esto es una parte del resultado, puede utilizar este esquema para construir tu propia versión. CC-BY 4.0 - atribución (uso permitido).
Los transistores en el diagrama esquemático es de 13003, pero debería funcionar cualquier NPN. También puede utilizar transistores PNP, pero necesita invertir la alimentación y lo LED.