


Hay un montón de proyecto Joule Thief alrededor, pero la mayoría parece requerir que un transformador de núcleo de ferrita, una tarea desconcertante si usted es nuevo a la electrónica, la bobina y ofrece poco para conocer su funcionamiento excepto siguiendo instrucciones escuetas.
Por lo tanto este instructable ofreciendo una satisfacción más a construir un aseado útil circuito poco, lo que le permite calcular alrededor de los componentes que usted ya tenga, a la corriente que desea entregar a lo LED.
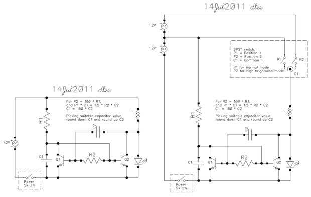
Las imágenes cargadas del esquema es bastante lamentable, para una mejor captura, descargar joule_thief.pdf
En el primer esquema, lado izquierdo, es el diseño básico, usted necesitará:
2 x transistor NPN de propósito General (por ejemplo 2n4401 o 2n2222A o 2n3904) Algunos* LEDs blancos - diodo solo uso sólo una gota (~3.3v), conectar en varios if paralelo necesario, pero este circuito no es adecuado para una pila de diodos, debido a los límites de ruptura de Vbe inversa a ~ 5V.
resistencia de 1/8W calificación 2 x 5% tolerancia
condensadores de 2 x 10% tolerancia (estos pueden ser cerámicos, electrolíticos o polipropileno, lo que adapta el valor)
1 x Inductor (más sobre esto más adelante)
1 x interruptor (SPST o si es necesario DPDT dependiendo de cómo desea que el circuito funcione)
1 x AA batería titular
* Usando el diodo en paralelo no siempre es ideal, en particular con LED blanco, como la tensión diagonal puede no coincidir, por lo tanto, usted puede conseguir variando brillo de cada uno de ellos.
Brevemente, cómo funciona este circuito
- En encender, con una fuente de rampa (0 -> 1.2V)
- Sesgo del transistor Q2 hasta un aumento actual se entrega a través del inductor, un cambio de delta de corriente mantiene una caída de voltaje en el inductor (V = L * di/dt), esta corriente se limita por R1 y la ganancia para arriba por la ßeta de Q2
- Q1 también obtener sesgo hacia arriba pero con una corriente más débil ya que existe una caída IR a través de R2, debajo de Vbe de Q2, Vbe = kT/q*ln(Ic/Is)
- Una vez que la corriente por el inductor detenga cada vez mayor, el voltaje en el inductor se derrumba a un cortocircuito en el riel de suministro, con el acoplamiento capacitivo de C2, este tira de la base de Q1 alta, convirtiéndose en
- Torneado de Q1 en shorts a C1 a Vcesat (~0.3V), esto también tira Q2 apagado.
- La corriente por el inductor, no dejar (como inductor de lo que debe hacer) entonces descarga su corriente a través del LED diagonal adelante se (~3.3v), por lo tanto la acción impulso de este circuito.
- Mientras tanto, C1 ahora se carga a través de R1, y cuando el voltaje en C1 alcanza el sesgo hacia adelante Vbe (~0.7V) de Q2, se enciende, colapsando el voltaje a través del LED (apagarlo) a Vcesat (~0.3V).
- Cuando esto sucede, C2 entra en acción, hundiendo el Vbe de Q1 por debajo de 0v, apagarlo.
- Con Q1 apagado, una vez más la corriente a través de R1 levanta ßeta con carga Q2 por el inductor actual y el ciclo se repite.
- Hasta que la batería se agota por supuesto...
Ahora para el trabajo real, obtener los valores de componentes para conducir la corriente necesaria para el LED blanco.
Los pasos siguientes permiten calcular aproximadamente el valor que necesita, basan en sus opciones de componentes
- Que Vbatt = 1.2V
El voltaje de la batería se basa en recargable, pero todavía podría utilizar alcalinas = 1.5V
- Decidir cuál es la corriente nominal a usted blanco LED
En este caso elegir una nominal queLED = 300mA
- Decidir el valor del inductor que se puede utilizar
Ahora este circuito, es posible utilizar cualquier valor del inductor entre 1mH a 10uH, el ideal está en algún lugar entre estos. El valor elegido es uso para el cálculo. El inductor es generalmente más difícil obtener en términos de valor correcto y a menudo cuesta más que condensadores o resistencia.
Elegir L = 100uH, con valor nominal de corriente máximo de + 30% delLED = 390mA
Puede utilizar diferencial EMI energía cebador (esos con 2 plomos), la conocida diferencia entre éstos y los significado específicamente para los convertidores de la C.C., el cambio es lo dijeron que ese choke de poder tendía a tener distinta impedancia parásita con pérdidas y evitar el pico de impedancia en la frecuencia de resonancia del uno mismo.
- Calcular el valor de R1
Ver (2) en este circuito el funcionamiento... ßeta = Icolector/ibase de un transistor bipolar
Que la ßeta2 de Q2 = 30, Vbe2 = 0.8V, VBAT = 1.2, queLmax = 390mA
VBE2 = 0.8 para el colector actual (ILED) en cientos de mA
2 de VBE = 0,7 para el colector actual (ILED) en decenas de mA
La ßeta se selecciona a 30 ya que cuando un bipolar transistor está en saturación, sus colas ßeta apagado y puede caer tan bajo como 10, de un nominal de 100.
R1 = (VBAT - Vbe2 ) * ßeta2 / queLmax= 30.77, redondear al valor estándar más cercano, 33 ohm.
- Encontrar el tiempo 'on' del LED, esto es (6) y (7) sobre el funcionamiento de este circuito...
Voltaje del inductor VL = L * di/dt
VL = VBAT - Vcesat2, di o delta es el 30% delLED x 2 = 180mA
La razón de selección delta i = +-30% delLED es que no el inductor actual es ser discontinua (es decir la corriente que circula por el inductor no debe ir a cero/terminar)
Cuando yo elegí, voltaje de saturación Vce del transistor, Vcesat2 = 0.3V, éste es generalmente entre 0.1 ~ 0.4 v, dependiendo de la nominalLED que ha elegido y el transistor de colector actual en decenas de mA, utilizar 0.1V, exceso de cientos de mA uso 0.3V
Sustituyendo los valores de dt = (L * di) / (VBAT - Vcesat2) = (100u * 180mA) / (1.2V - 0.3V) = 20us
DT o el LED en tiempo será 20us
- Encontrar C1 en esquema
R1 * C1 establece la constante de tiempo en que permanece encendida y tenemos anterior obtener la figura 20us (dt)
Tantas cargas C1 hasta de Vcesat1 (de Q1) Vbe2 (Q2 encienda a 0.7V)
Puesto que Q1 fregadero una corriente de colector de sólo decenas de mA, dejó Vcesat1 = 0.1V
C1 =-(dt / R1) / ln ((Vbe2 - Vcesat1) / Vbatt)
C1 =-(20us / 33 ohm) / ln ((0.7V - 0.1V)/1.2V) = 420nF, idealmente redondo a valor estándar (para asegurar el inductor nunca va discontinuo) o uso siguiente valor más cercano que es 470nF más cercano, por lo tanto estoy usando esto.
- Encuentra R2 y C2
Ahora aquí es un atajo a estos R2 = 100 * R1 y R1 * C1 = 1.5 * R2 * C2, por lo tanto, C1 = 150 * C2
Así R1 = 33 ohm, R2 = 3.3kohm
Y C1 = C2 470nF = 3.13nF, redondeando o más cercana de valor más cercana = 2.2nF
- Resumen de componentes que tenían trabajo fuera
ILED = 300 mA:
L = 100uH
R1 = 33 ohmios
R2 = 3.3Kohm
C1 = 470nF
C2 = 2.2nF
Q1 y Q2 = 2n4401
- Un ejercicio para queLED = 50mA, Pilón 5 mm LED
Eligió L = 47uH, con lo máximoLmax = 50mA + 30% = 65mA
R1 = (VBAT - Vbe2 ) * ßeta2 / queLmax
Que VBAT = 1.2V, Vbe2 = 0.7V (decenas de mA para queLED), ßeta2 = 30, ILmax = 65mA
R1 = 230,76 ohm ~ 220 ohmios
R2 = 100 * R1 = 22Kohm
LED tiempo 'on' dt = (L * di) / (VBAT - Vcesat2)
Para Vcesat2 = 0.1V (LED es decenas de mA) y di = 30% de 50mA * 2 = 30mA
DT = 1.28us
C1 =-(dt / R1) / ln ((Vbe2 - Vcesat1) / Vbatt), Vbe2 = 0.7V y Vcesat1 = 0.1
C1 = 8.39nF ~ 10nF
C2 = 10nF / 150 = 66.7pF ~ 100pF
- Para funcionamiento con pilas 2AA
El esquema 2 muestra cómo puede incluir un modo boost, que permite que un interruptor entre el normal brillo y alto brillo o incluso alguna resistencia variable para controlar el brillo.